GM Service Manual Online
For 1990-2009 cars only
Makes
🢒
Cadillac
🢒
2000
🢒
Seville
🢒 G402 1 of 2
G402 1 of 2
G402 1 of 2
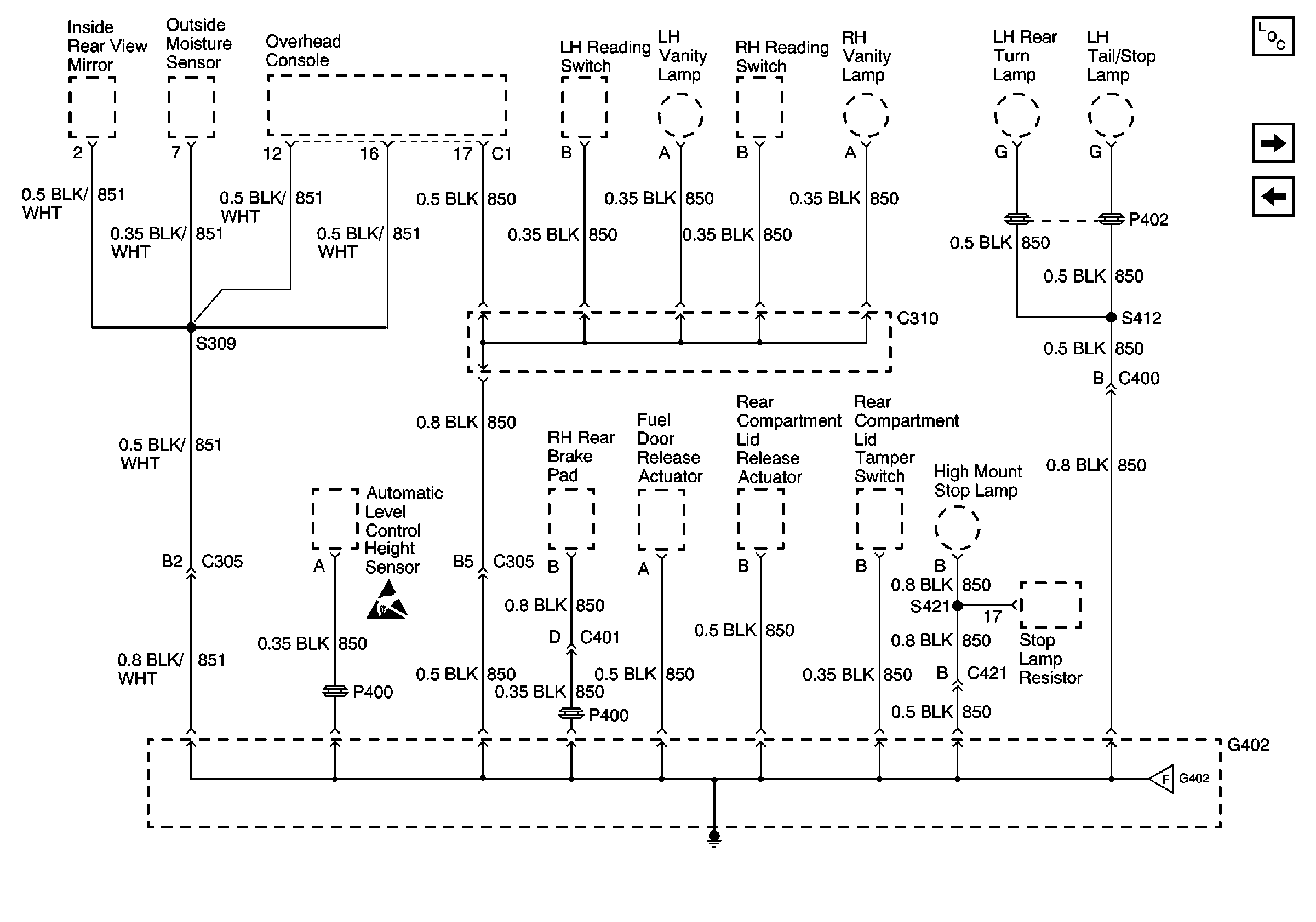
Power and Grounding Components
G402 2 of 2
G401 3 of 3
Handling ESD Sensitive Parts Notice
G402 2 of 2