GM Service Manual Online
For 1990-2009 cars only
Makes
🢒
Cadillac
🢒
2000
🢒
Seville
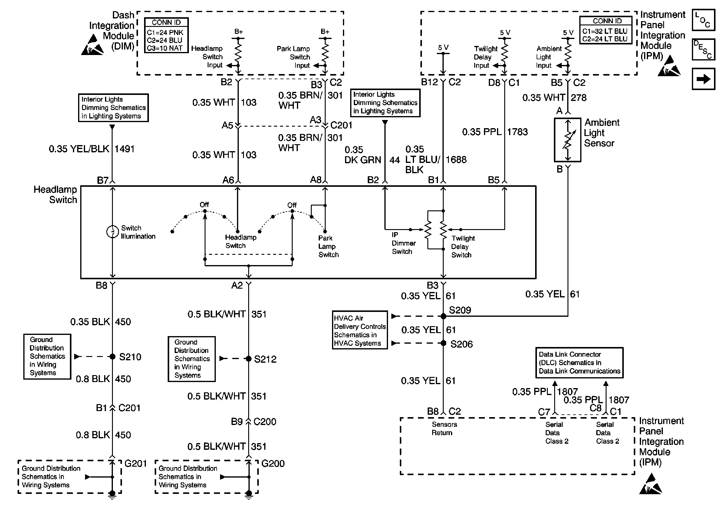
🢒 Headlamp Switch, Ambient Light Sensor
Headlamp Switch, Ambient Light Sensor
Headlamp Switch, Ambient Light Sensor
Lighting Systems Components
Headlights Circuit Description
Low Beam Headlamps
Instrument Panel Dimming
Dimming Control, IP Dimmer Switch
Temperature Sensors
Class 2 Serial Data Line (LH Drive)
Handling ESD Sensitive Parts Notice
Handling ESD Sensitive Parts Notice
Handling ESD Sensitive Parts Notice
G201
G201
G200 1 of 2
G200 1 of 2