GM Service Manual Online
For 1990-2009 cars only
Makes
🢒
Cadillac
🢒
2000
🢒
Seville
🢒 Cooling Fan Schematics
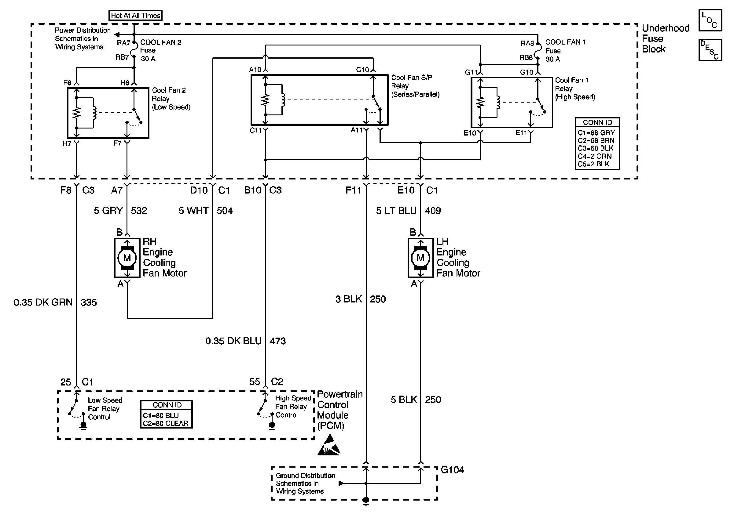
Cooling Fan Schematics
Cool Fan 1, Cool Fan 2, and Horn Fuses
G104
Cooling System Components