GM Service Manual Online
For 1990-2009 cars only
Makes
🢒
Cadillac
🢒
2000
🢒
Seville
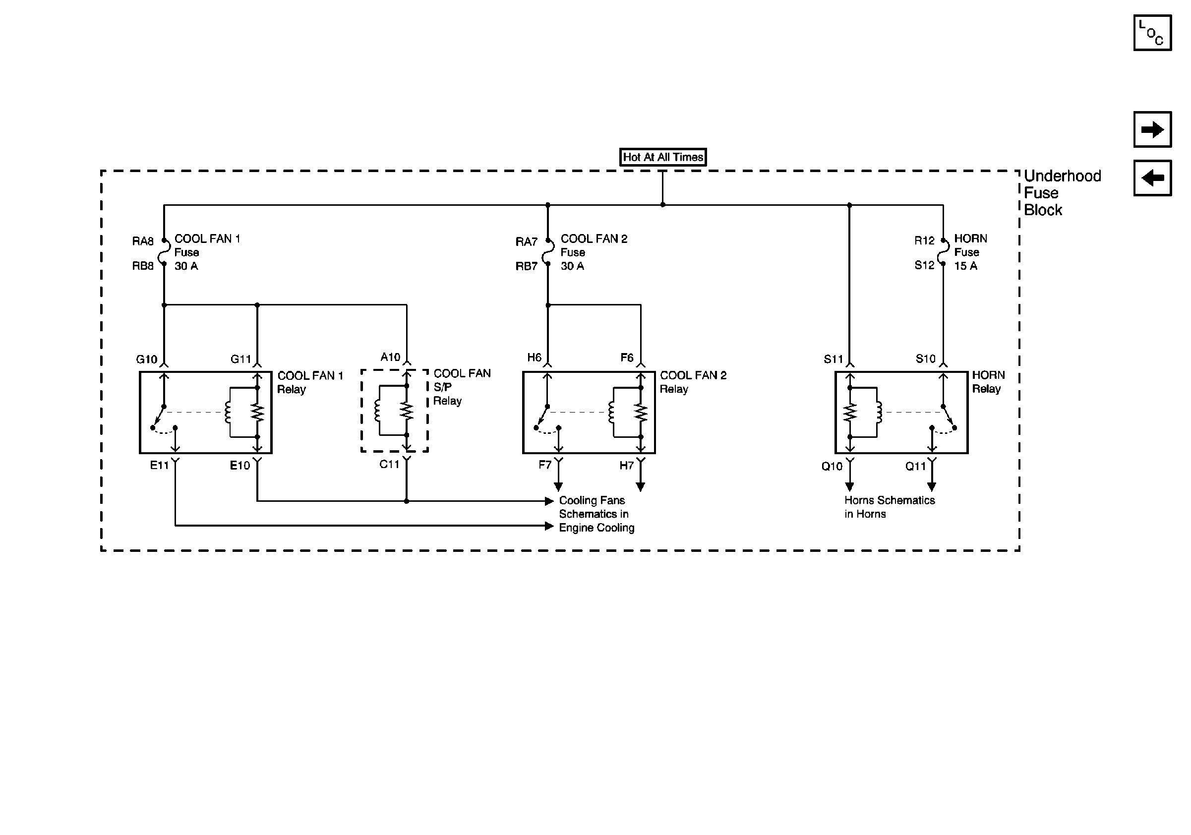
🢒 Cool Fan 1, Cool Fan 2, and Horn Fuses
Cool Fan 1, Cool Fan 2, and Horn Fuses
Cool Fan 1, Cool Fan 2, and Horn Fuses
Power and Grounding Components
IGN 1 and PCM IGN Fuses
PCM BATT, EXPORT BRK, IP, ABS Sol, and ABS MOT Fuses
Cooling Fan Schematics
Horns Schematic