GM Service Manual Online
For 1990-2009 cars only
Makes
🢒
Cadillac
🢒
2000
🢒
Seville
🢒 Cigar Lighter/Auxiliary Outlets
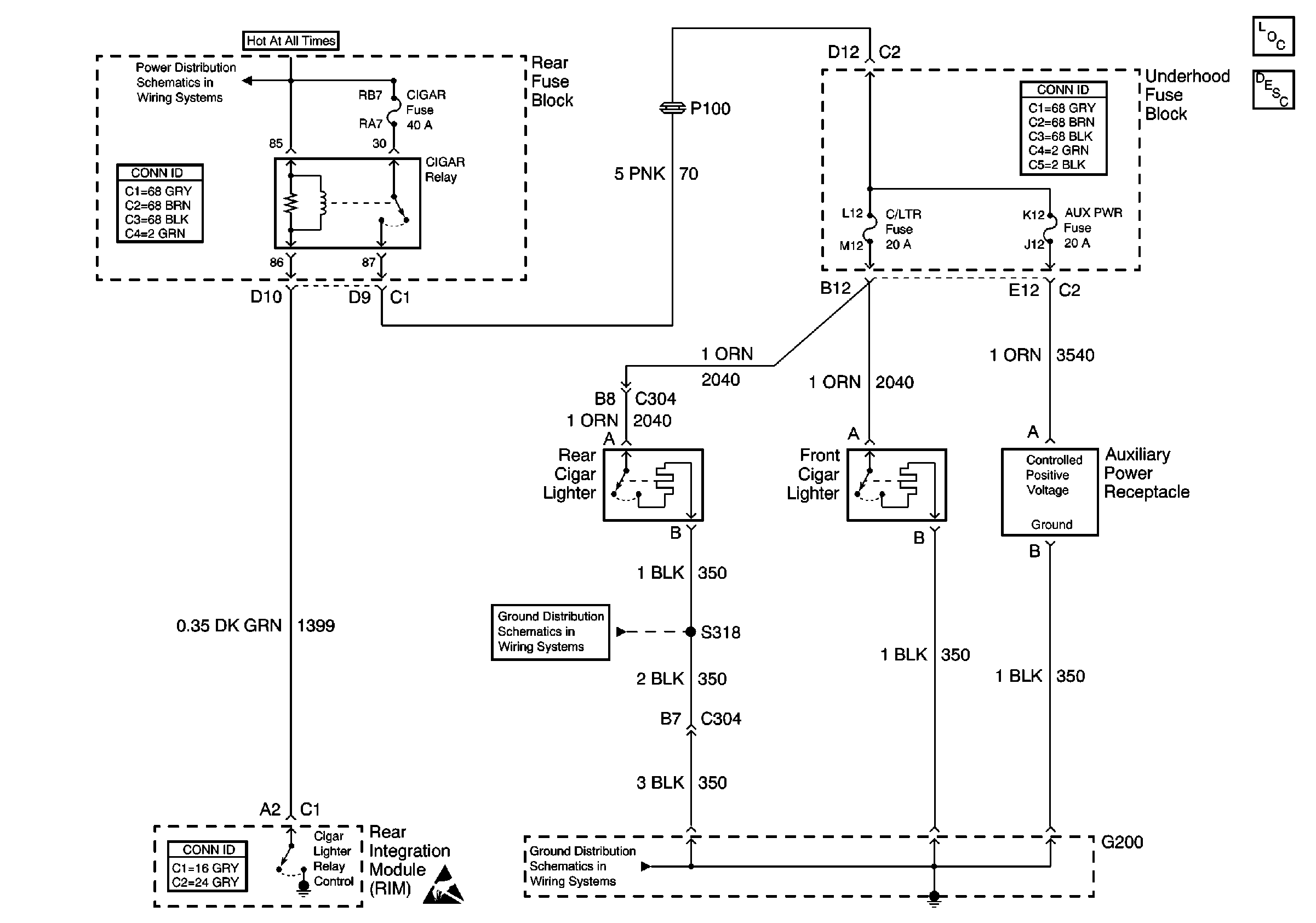
Cigar Lighter/Auxiliary Outlets
Power and Grounding Components
Cigar Lighter/Auxiliary Outlet Circuit Description
Handling ESD Sensitive Parts Notice
Aux Pwr, C/LTR, Stop LP, Cigar and BLO Fuses
G200 2 of 2
G200 1 of 2