GM Service Manual Online
For 1990-2009 cars only
Makes
🢒
Cadillac
🢒
2000
🢒
Seville
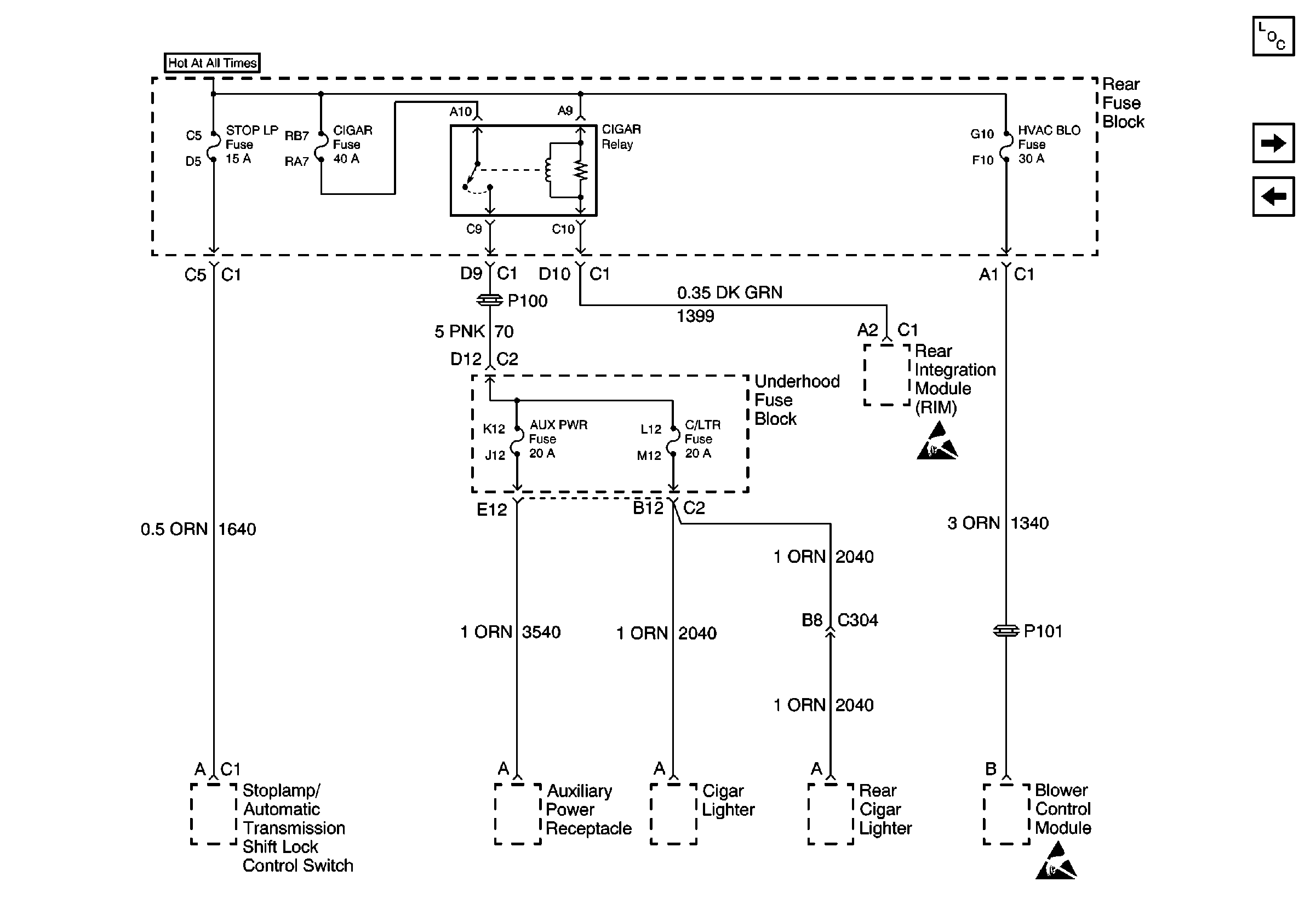
🢒 Aux Pwr, C/LTR, Stop LP, Cigar and BLO Fuses
Aux Pwr, C/LTR, Stop LP, Cigar and BLO Fuses
Aux Pwr, C/LTR, Stop LP, Cigar and BLO Fuses
Power and Grounding Components
MEM T/T, PWR T/T and TSIG/HAZ Fuse
A/C CLU, FOG/DRL, INJR 1 and INJR 2 Fuses
Handling ESD Sensitive Parts Notice
Handling ESD Sensitive Parts Notice