GM Service Manual Online
For 1990-2009 cars only
Makes
🢒
Cadillac
🢒
2000
🢒
Seville
🢒 PWR and GRD
PWR and GRD
PWR and GRD
Navigation System Components
Auxiliary RCA Video Jacks
Handling ESD Sensitive Parts Notice
Class 2 Serial Data Line (RH Drive)
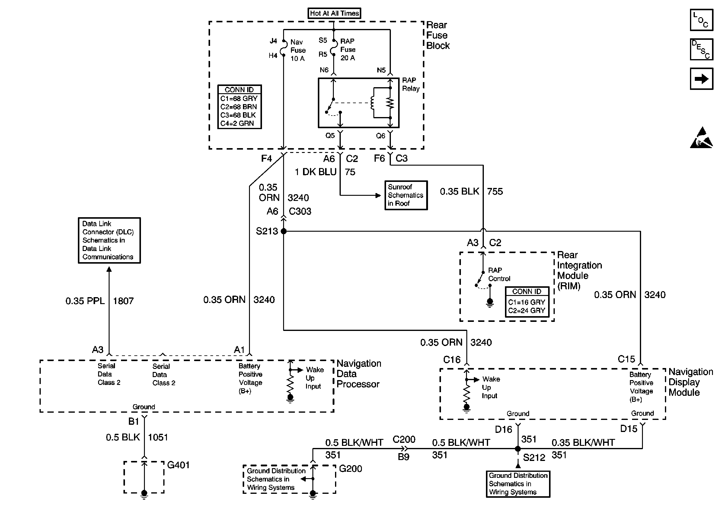
Power, Grounds, and Components
G200 1 of 2
G200 1 of 2