GM Service Manual Online
For 1990-2009 cars only
Makes
🢒
Cadillac
🢒
2000
🢒
Seville
🢒 RH Power Mirror w/ Memory (A45)
RH Power Mirror w/ Memory (A45)
RH Power Mirror w/ Memory (A45)
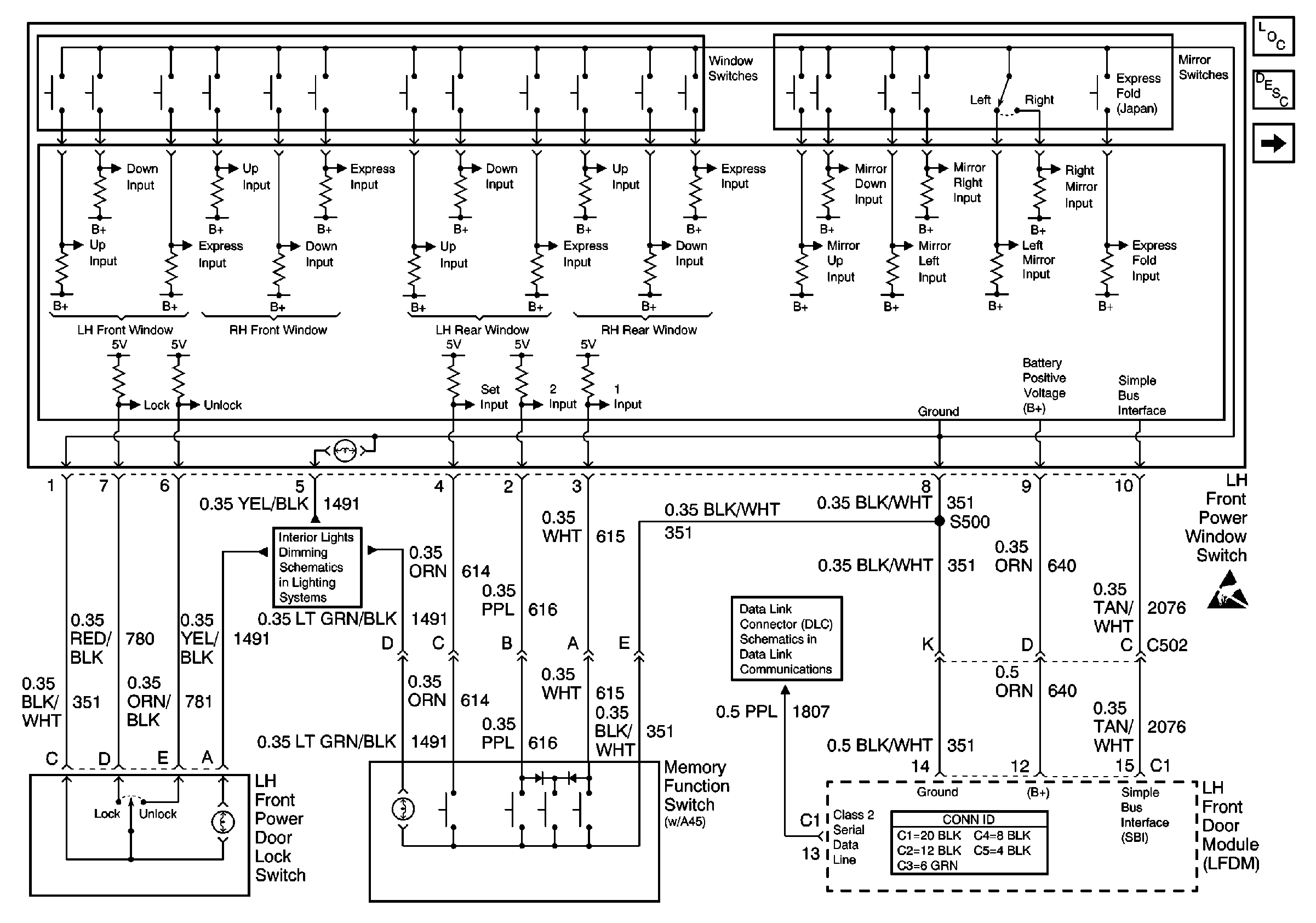
Power Door Systems Components
Outside Mirrors Circuit Description
LH Power Mirror
Handling ESD Sensitive Parts Notice
Front Door Dimming
Class 2 Serial Data Line (RH Drive)