GM Service Manual Online
For 1990-2009 cars only
Makes
🢒
Cadillac
🢒
2000
🢒
Seville
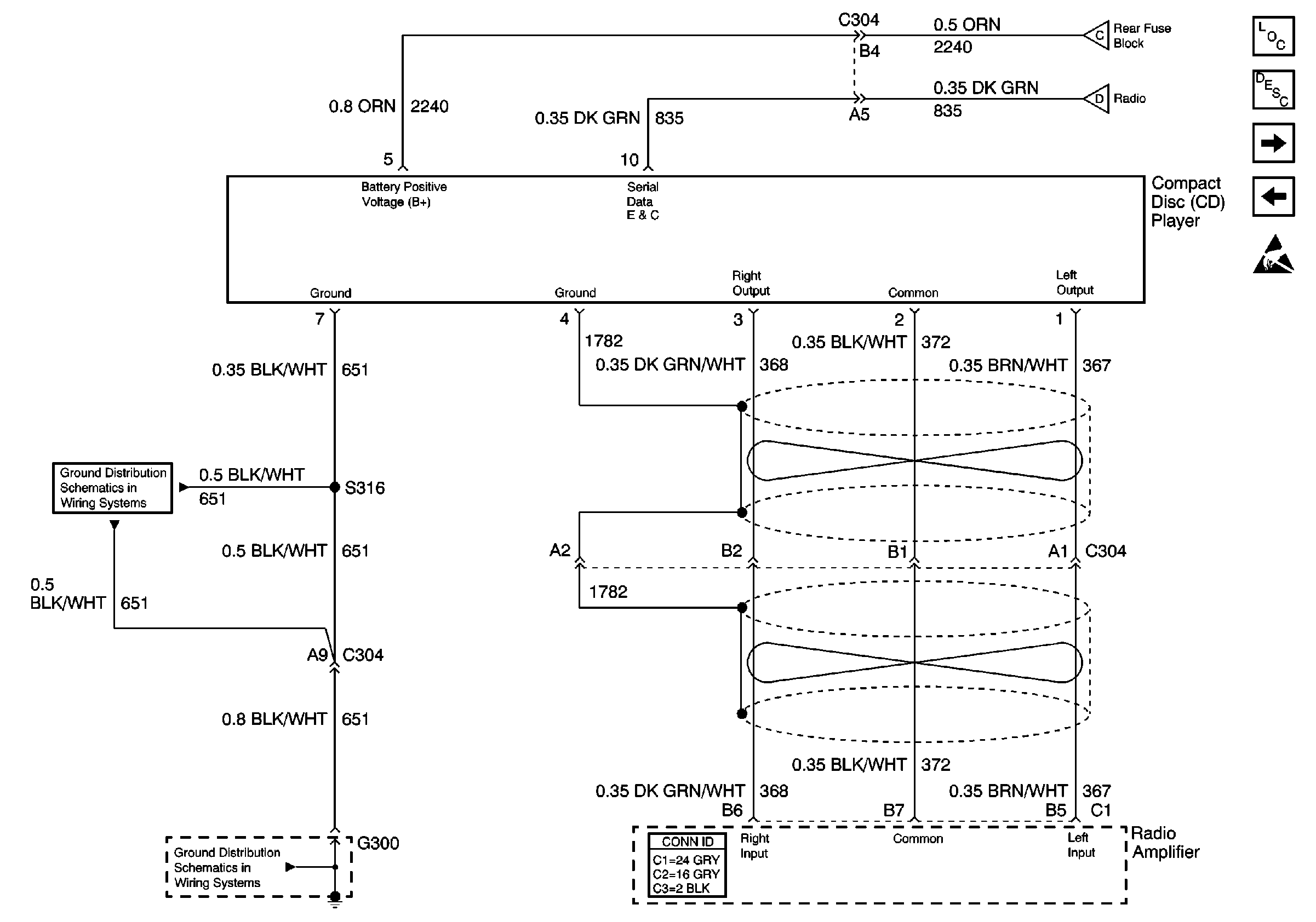
🢒 Compact Disc (CD) Player (w/UX9)
Compact Disc (CD) Player (w/UX9)
Compact Disc (CD) Player (w/UX9)
Entertainment Components
Radio/Audio System Circuit Description
Radio Amplifier (UX9)
Power and Ground (x/UX9)
Handling ESD Sensitive Parts Notice
Power and Ground (x/UX9)
G300
G300