GM Service Manual Online
For 1990-2009 cars only
Makes
🢒
Cadillac
🢒
2000
🢒
Seville
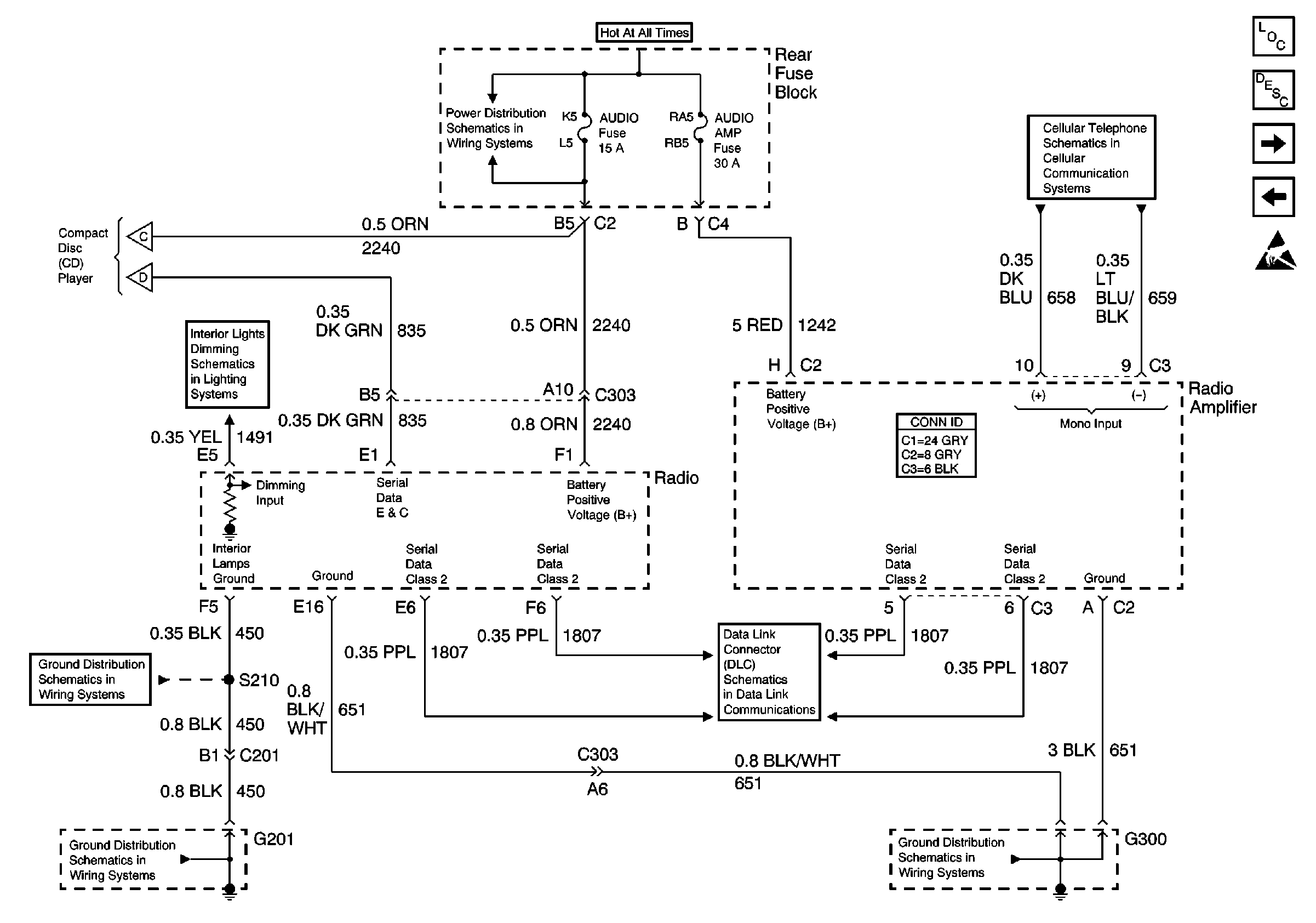
🢒 Power and Ground (x/UX9)
Power and Ground (x/UX9)
Power and Ground (x/UX9)
Entertainment Components
Radio/Audio System Circuit Description
Compact Disc (CD) Player (w/UX9)
Rear Speakers (w/UX8)
Handling ESD Sensitive Parts Notice
Handset and Radio Amplifier (w/o UE1)
Instrument Panel Dimming
Audio, Audio Amp and DIM Fuses
Compact Disc (CD) Player (w/UX9)
G201
G201
G300
Class 2 Serial Data Line (RH Drive)
Instrument Panel Dimming