GM Service Manual Online
For 1990-2009 cars only
Makes
🢒
Cadillac
🢒
2000
🢒
Seville
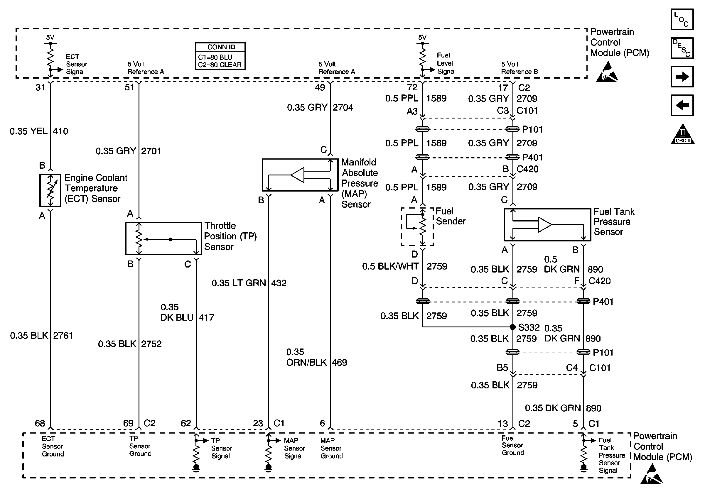
🢒 Sensors
Sensors
Sensors
Engine Controls Components
OBD II Symbol Description Notice
HO2S
Fuel Injectors
Handling ESD Sensitive Parts Notice
Handling ESD Sensitive Parts Notice
Information Sensors/Switches Description