GM Service Manual Online
For 1990-2009 cars only
Makes
🢒
Cadillac
🢒
2000
🢒
Seville
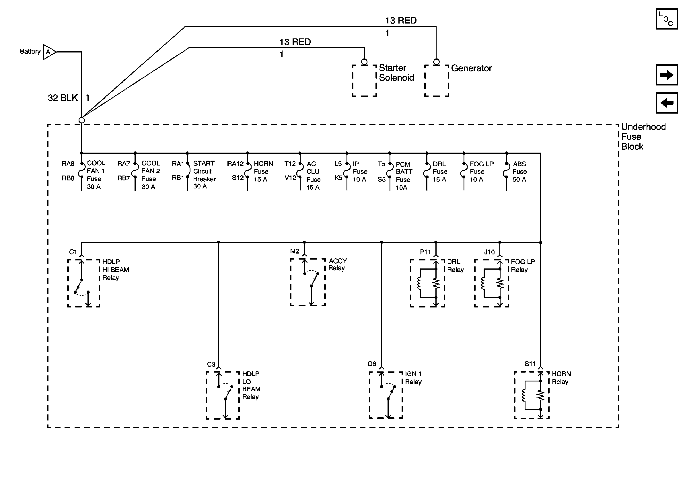
🢒 Power to Underhood Fuse Block
Power to Underhood Fuse Block
Power to Underhood Fuse Block
Power and Grounding Components
IGN SW, HTDST LR, HTDST RR, and HTDST RF Fuses
Battery Feeds
Battery Feeds