GM Service Manual Online
For 1990-2009 cars only
Makes
🢒
Cadillac
🢒
2000
🢒
Seville
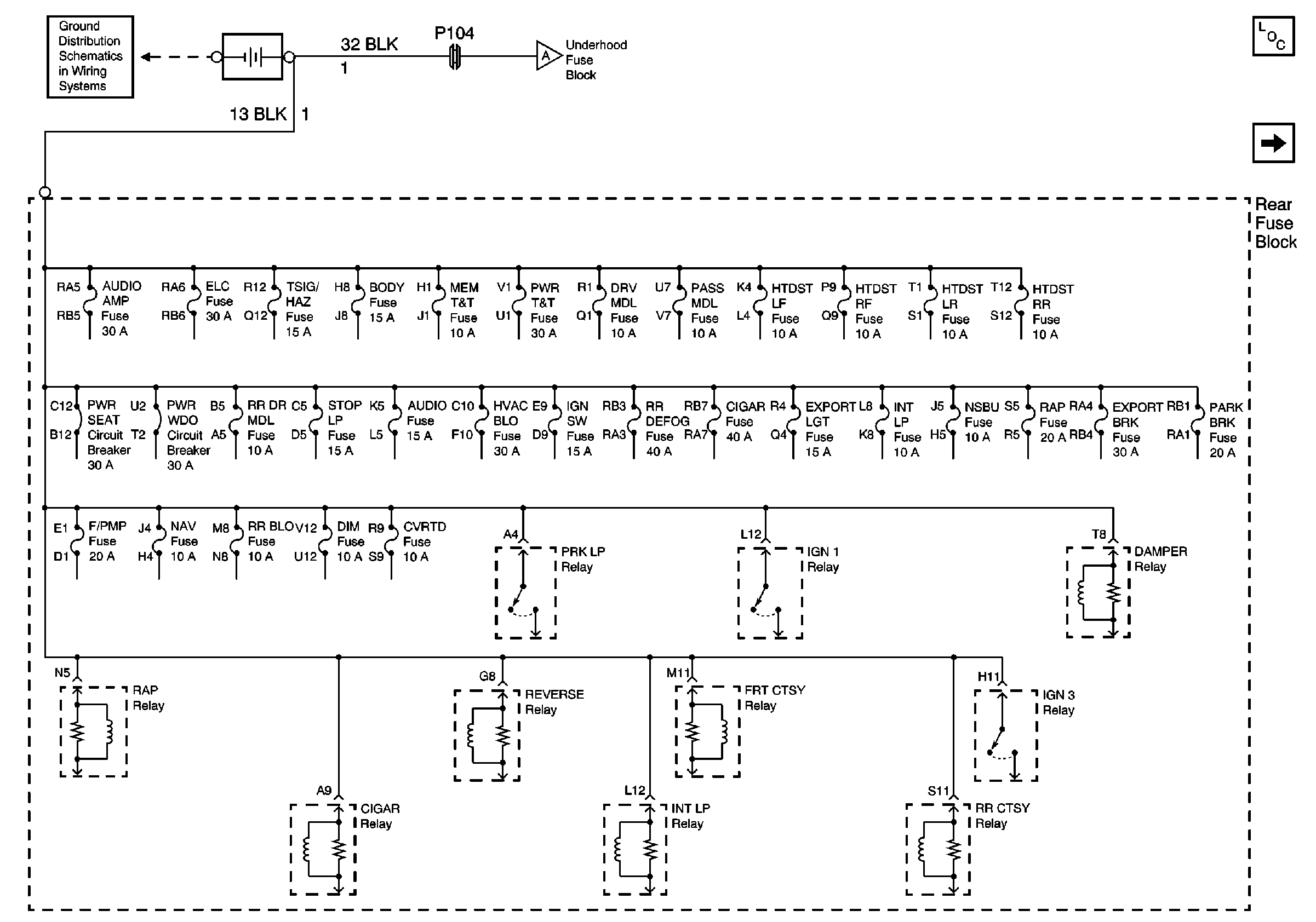
🢒 Battery Feeds
Battery Feeds
Battery Feeds
Power and Grounding Components
G307
Power to Underhood Fuse Block
Power to Underhood Fuse Block