GM Service Manual Online
For 1990-2009 cars only
Makes
🢒
Cadillac
🢒
2000
🢒
Seville
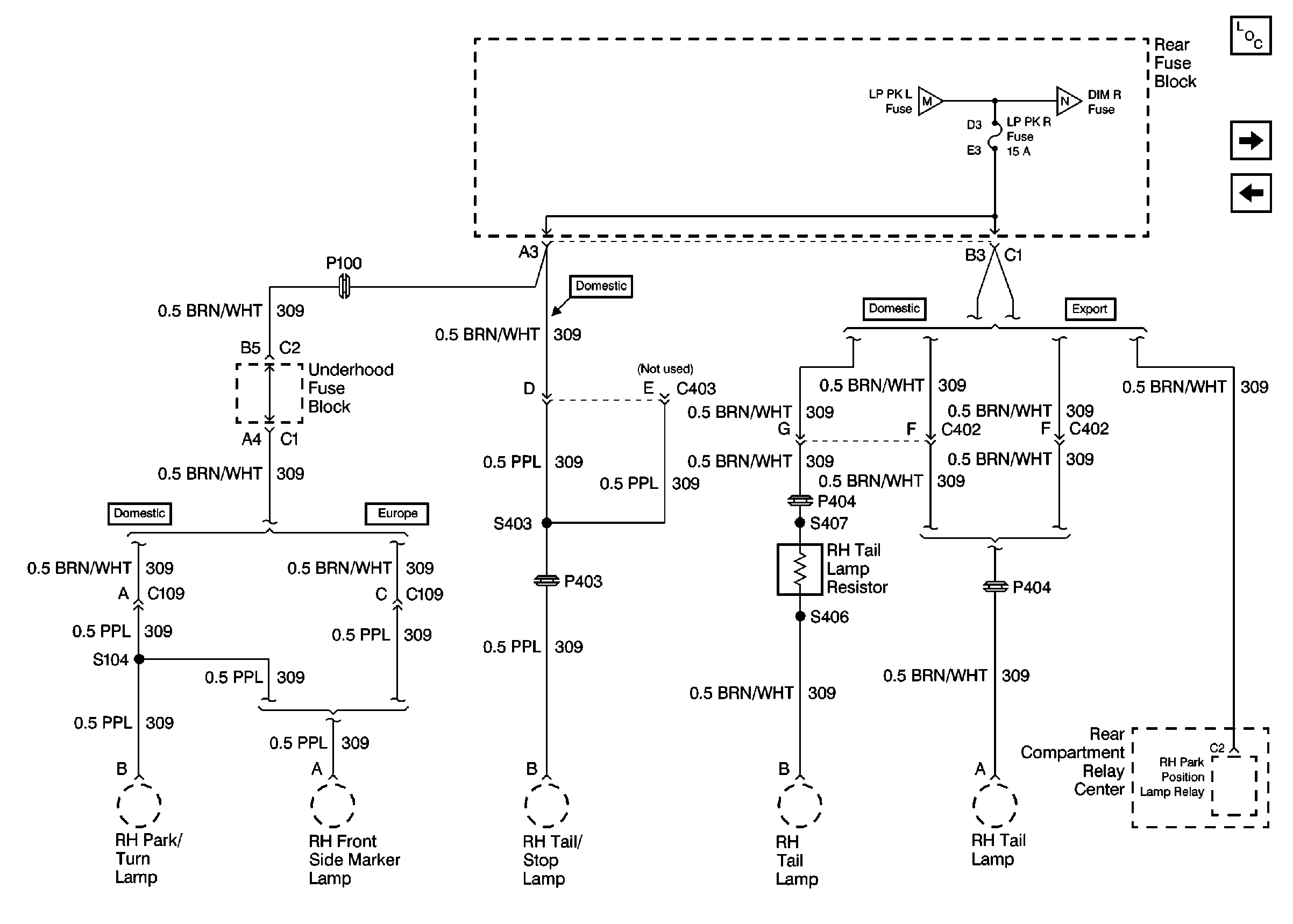
🢒 LP PK R Fuse
LP PK R Fuse
LP PK R Fuse
Power and Grounding Components
DIM R Fuse
LP PK L Fuse
LP PK L Fuse
DIM R Fuse