GM Service Manual Online
For 1990-2009 cars only
Makes
🢒
Cadillac
🢒
2000
🢒
Seville
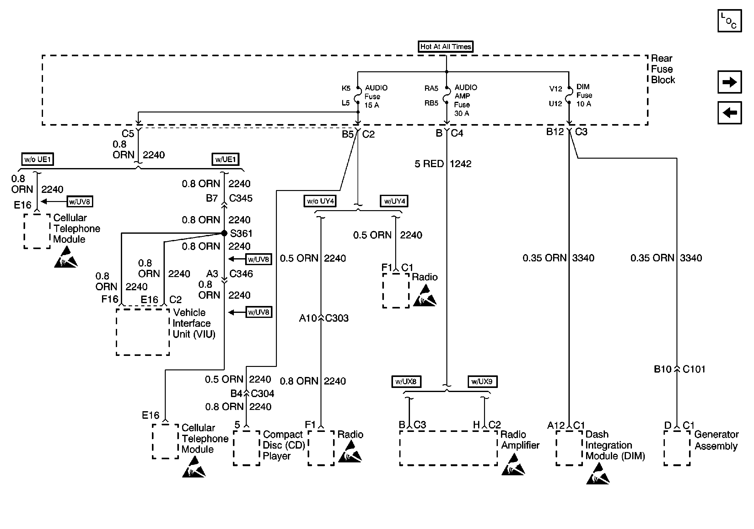
🢒 Audio, Audio Amp and DIM Fuses
Audio, Audio Amp and DIM Fuses
Audio, Audio Amp and DIM Fuses
Power and Grounding Components
PWR WDO Circuit Breaker
RAP and Export LGT Fuses
Handling ESD Sensitive Parts Notice
Handling ESD Sensitive Parts Notice
Handling ESD Sensitive Parts Notice
Handling ESD Sensitive Parts Notice
Handling ESD Sensitive Parts Notice