GM Service Manual Online
For 1990-2009 cars only
Makes
🢒
Cadillac
🢒
2000
🢒
Seville
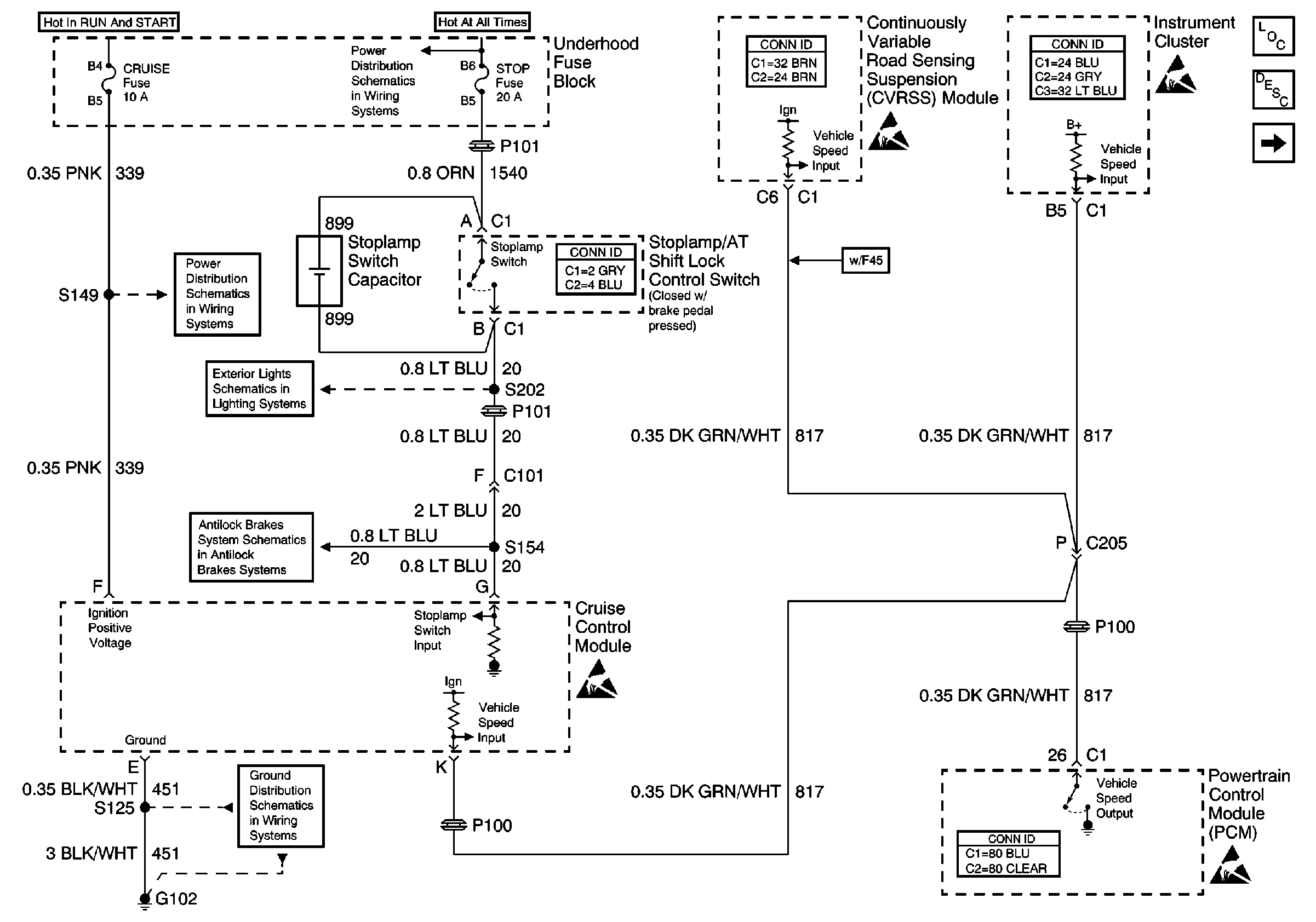
🢒 Cruise Control Module
Cruise Control Module
Cruise Control Module
Cruise Control Components
Cruise Control System Description
Cruise Control Multifunction Lever
Handling ESD Sensitive Parts Notice
Power Distribution Schematics
CRUISE, DIS, and PCM (IGN) Fuses
Turn Signal Flasher, Hazard Flasher, and Stoplamp/AT Shift Lock CONTrOL Switch
Antilock Brake System Schematics
G102
Handling ESD Sensitive Parts Notice
Handling ESD Sensitive Parts Notice