GM Service Manual Online
For 1990-2009 cars only
Makes
🢒
Cadillac
🢒
2000
🢒
Seville
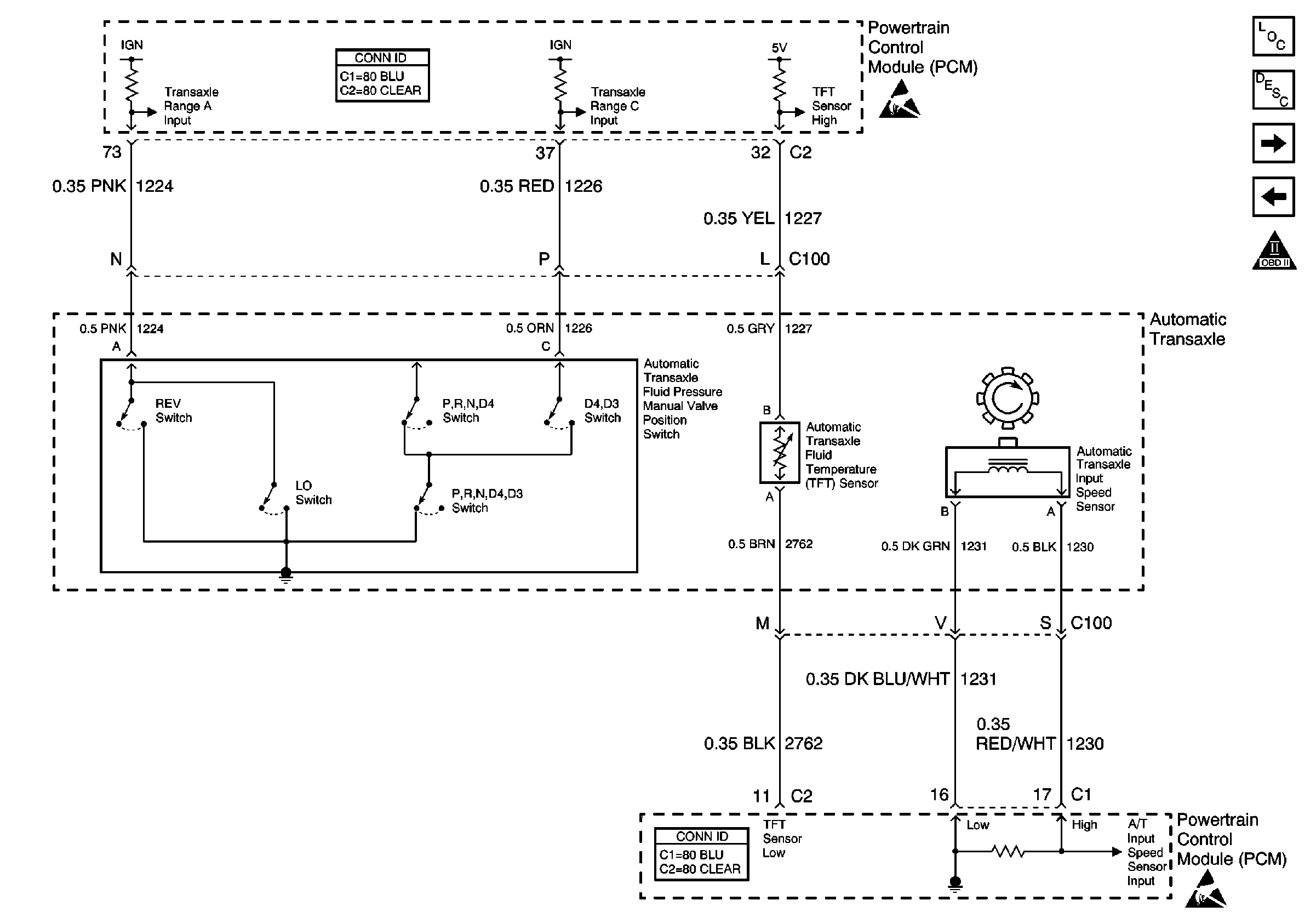
🢒 Transaxle Sensors and TR Switch
Transaxle Sensors and TR Switch
Transaxle Sensors and TR Switch
Engine Controls Components
Information Sensors/Switches Description
Transaxle - IMS, VSS
ABS/TCC Switch and Transaxle Solenoids
OBD II Symbol Description Notice
Handling ESD Sensitive Parts Notice
Handling ESD Sensitive Parts Notice