GM Service Manual Online
For 1990-2009 cars only
Makes
🢒
Cadillac
🢒
2000
🢒
Seville
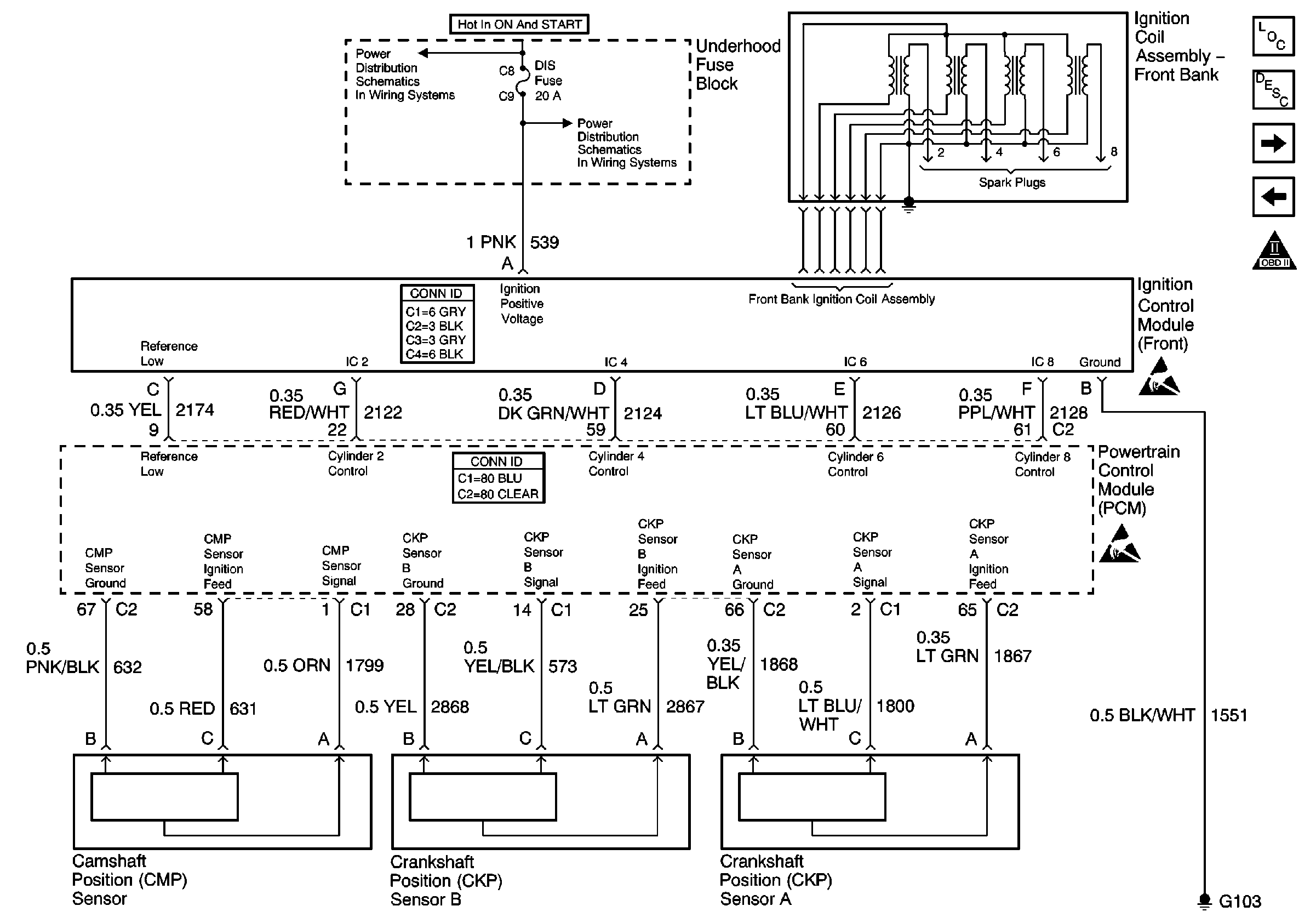
🢒 Ignition Control Module - Front Bank
Ignition Control Module - Front Bank
Ignition Control Module -- Front Bank
Engine Controls Components
Information Sensors/Switches Description
Ignition Control Module - Rear Bank
MIL Control and DLC
OBD II Symbol Description Notice
CRUISE, DIS, and PCM (IGN) Fuses
CRUISE, DIS, and PCM (IGN) Fuses
Handling ESD Sensitive Parts Notice
Handling ESD Sensitive Parts Notice