GM Service Manual Online
For 1990-2009 cars only

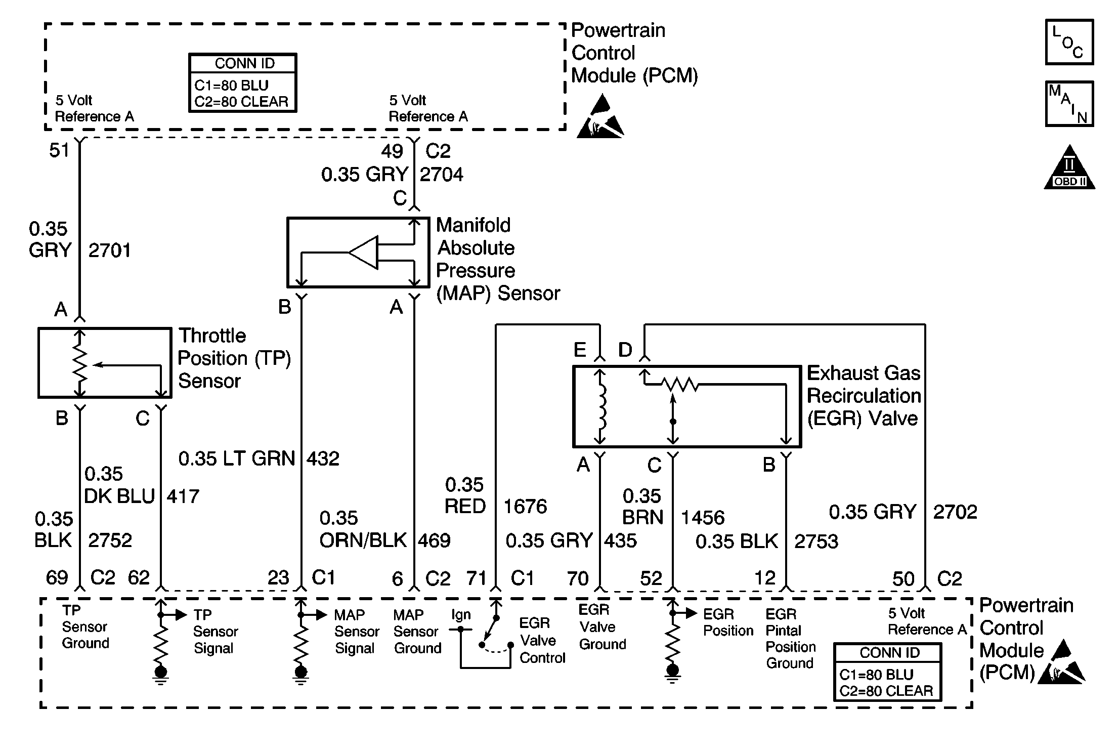
Object Number: 603446  Size: MF
Sensors
OBD II Symbol Description Notice
Handling ESD Sensitive Parts Notice
Handling ESD Sensitive Parts Notice

Circuit Description

The PCM uses the 5 Volt Reference A circuit to feed the following sensors:

    • Thottle position (TP) sensor
    • Manifold absolute pressure (MAP) sensor
    • Exhaust gas recirculation (EGR) pintle position sensor

The PCM monitors the voltage on the 5 Volt Reference A circuit. If the voltage is outside an acceptable range, DTC P1635 will set.

Conditions for Running the DTC

The ignition is ON.

Conditions for Setting the DTC

    • The PCM detects a voltage out of range condition on the 5 Volt Reference A circuit.
    • The condition exists for less than 1 second.

Action Taken When the DTC Sets

    • The PCM illuminates the malfunction indicator lamp (MIL) during the second consecutive trip in which the diagnostic test runs and fails.
    • The PCM stores the conditions present when the DTC set as Freeze Frame/Failure Records data.

Conditions for Clearing the MIL/DTC

    • The PCM will turn the MIL OFF after the third consecutive trip in which the diagnostic runs and passes.
    • The history DTC will clear after 40 consecutive warm-up cycles have occurred without a malfunction.
    • The DTC can be cleared by using the scan tool Clear DTC Information function.

Diagnostic Aids

If the condition is intermittent, refer to Intermittent Conditions in Symptoms.

Step

Action

Values

Yes

No

1

Did you perform the Powertrain On-Board Diagnostic (OBD) System Check?

--

Go to Step 2

Go to Powertrain On Board Diagnostic (OBD) System Check

2

Important: Visually/physically inspect the PCM and engine grounds. Ensure that the grounds are clean and secure. If a problem is found, repair as necessary. Refer to Wiring Repairs in Wiring Systems.

Observe the 5 Volt Reference display on the scan tool.

Does the 5 Volt Reference display OK?

--

Go to Step 3

Go to Step 4

3

  1. Review and record the scan tool Fail Records data.
  2. Operate the vehicle within the Fail Records conditions.
  3. Using the scan tool, monitor the Specific DTC Information for DTC P1635.

Does the scan tool indicate that DTC P1635 failed last test?

--

Go to Step 4

Go to Diagnostic Aids

4

  1. Turn OFF the ignition.
  2. Disconnect the MAP sensor connector.
  3. Turn ON the ignition, with the engine OFF.
  4. Observe the 5 Volt Reference display on the scan tool.

Does the 5 Volt Reference display OK?

--

Go to Step 5

Go to Step 7

5

Observe the MAP sensor display on the scan tool.

Does the MAP sensor indicate a voltage near the specified value?

0V

Go to Step 16

Go to Step 6

6

Test the MAP signal circuit for a short to voltage. Refer to Circuit Testing and Wiring Repairs in Wiring Systems.

Did you find and correct the condition?

--

Go to Step 20

Go to Step 19

7

  1. Turn OFF the ignition.
  2. Leave the MAP sensor disconnected.
  3. Disconnect the TP sensor connector.

Does the 5 Volt Reference display OK?

--

Go to Step 8

Go to Step 10

8

Observe the TP sensor display on the scan tool.

Does the TP sensor indicate a voltage near the specified value?

0V

Go to Step 17

Go to Step 9

9

Test the TP signal circuit for a short to voltage. Refer to Circuit Testing and Wiring Repairs in Wiring Systems.

Did you find and correct the condition?

--

Go to Step 20

Go to Step 19

10

  1. Turn OFF the ignition.
  2. Leave the MAP, and TP sensors disconnected.
  3. Disconnect the EGR valve connector.

Does the 5 Volt Reference display OK?

--

Go to Step 11

Go to Step 13

11

Observe the Actual EGR Position display on the scan tool.

Does the Actual EGR Position near the specified value?

0%

Go to Step 18

Go to Step 12

12

Test the EGR pintle position circuit for a short to voltage. Refer to Circuit Testing and Wiring Repairs in Wiring Systems.

Did you find and correct the condition?

--

Go to Step 20

Go to Step 19

13

  1. Turn ON the ignition, with the engine OFF.
  2. Connect DMM between the MAP sensor 5 Volt Reference circuit and ground.

Does the DMM indicate a voltage near the specified value?

0V

Go to Step 14

Go to Step 15

14

  1. Turn OFF the ignition.
  2. Leave the MAP, TP, and EGR connectors disconnected.
  3. Disconnect the PCM connector C2. Refer to Powertrain Control Module Replacement/Programming .
  4. Test the TP, MAP, and EGR 5V reference circuits for a short to ground. Refer to Circuit Testing and Wiring Repairs in Wiring Systems.

Did you find and correct the condition?

--

Go to Step 20

Go to Step 19

15

  1. Turn OFF the ignition.
  2. Leave the MAP, TP, and EGR connectors disconnected.
  3. Disconnect the PCM connector C2. Refer to Powertrain Control Module Replacement/Programming .
  4. Turn ON the ignition, with the engine OFF.
  5. Test the TP, MAP, and EGR 5V reference circuits for a short to voltage. Refer to Circuit Testing and Wiring Repairs in Wiring Systems.

Did you find and correct the condition?

--

Go to Step 20

Go to Step 19

16

Replace the MAP sensor. Refer to Manifold Absolute Pressure Sensor Replacement .

Is the action complete?

5V

Go to Step 20

--

17

Replace the TP sensor. Refer to Throttle Position Sensor Replacement .

Is the action complete?

--

Go to Step 20

--

18

Replace the EGR valve. Refer to Exhaust Gas Recirculation Valve Replacement .

Is the action complete?

B+

Go to Step 20

--

19

Important: The replacement PCM must be reprogrammed.

Replace the PCM. Refer to Powertrain Control Module Replacement/Programming .

Is the action complete?

--

Go to Step 20

--

20

  1. Review and record the scan tool Fail Records data.
  2. Clear the DTCs.
  3. Operate the vehicle within the Fail Records conditions.
  4. With the scan tool, monitor the Specific DTC information for DTC P1635.

Does the scan tool indicate that DTC P1635 passed?

--

System OK

Go to Step 2