GM Service Manual Online
For 1990-2009 cars only

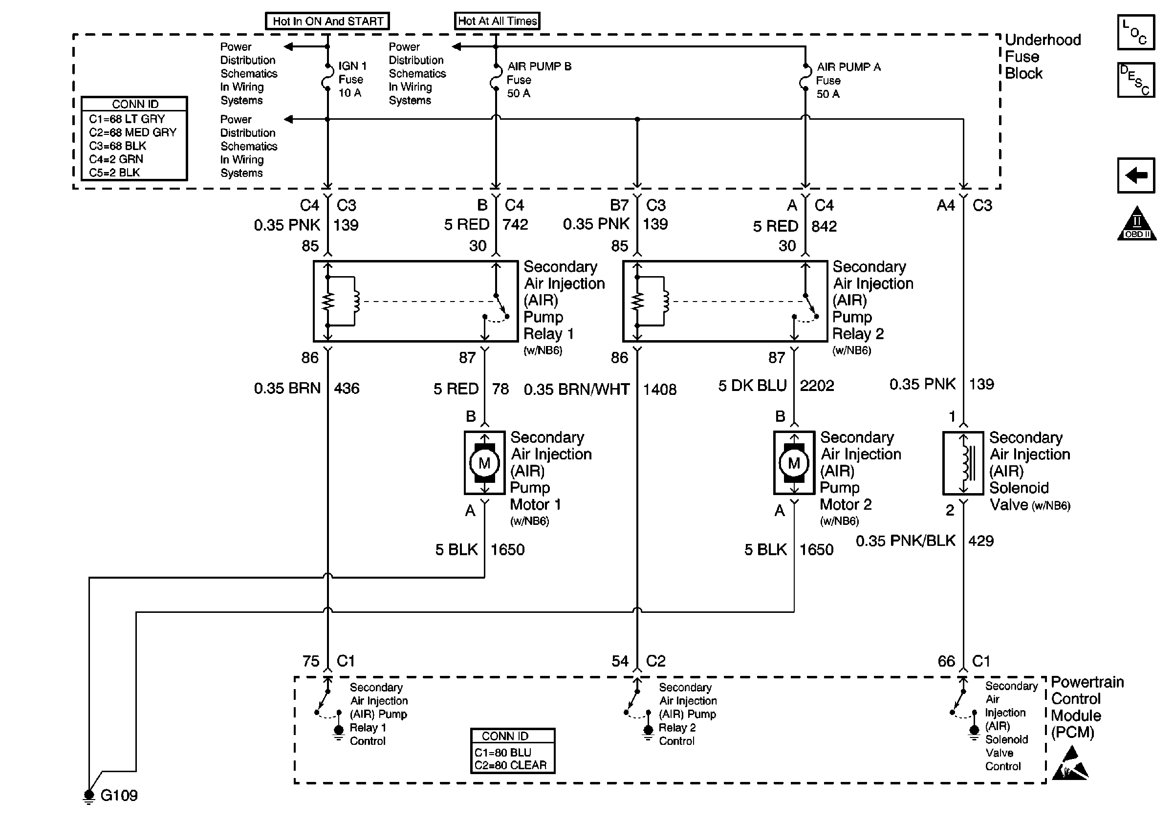
Refer to Engine Controls Schematics

Secondary Air Injection (AIR) Pump Motors w/NB6-California Emissions


Object Number: 600315  Size: FS
Engine Controls Components
OBD II Symbol Description Notice
Ignition Control Module- Rear Bank
Handling ESD Sensitive Parts Notice
IGN 1 and PCM IGN Fuses
IGN 1 and PCM IGN Fuses
Air Induction System
.

Circuit Description

The PCM uses output driver modules (ODMs) to control many functions of the engine, and the transaxle. The ODMs supply the ground path for the PCM controlled device when the PCM commands the device ON. Each ODM is able to control several outputs. Unlike the quad driver modules (QDMs) used in earlier model years, the ODMs are able to diagnose each output circuit. The PCM monitors the ODMs for circuit conditions that are incorrect for the commanded state of the ODM. If the PCM detects an improper circuit condition in the ODM that controls the AIR solenoid valve, DTC P0412 will set.

Conditions for Running the DTC

    • The engine is running.
    • The system voltage is between 8-16 volts.

Conditions for Setting the DTC

    • The PCM detects an improper voltage level on the output circuit that controls the AIR solenoid valve.
    • The condition exists for at least 10 seconds.

Action Taken When the DTC Sets

    • The PCM illuminates the malfunction indicator lamp (MIL) during the second consecutive trip in which the diagnostic test runs and fails.
    • The PCM stores the conditions present when the DTC set as Freeze Frame/Failure Records data.

Conditions for Clearing the MIL/DTC

    • The PCM will turn the MIL OFF after the third consecutive trip in which the diagnostic runs and passes.
    • The history DTC will clear after 40 consecutive warm-up cycles have occurred without a malfunction.
    • The DTC can be cleared by using the scan tool Clear DTC Information function.

Diagnostic Aids

To determine whether an improper voltage level exists on the output circuit, the PCM compares the voltage level to the commanded state. For example, a failure condition exists if the PCM detects a low voltage level when the device is commanded OFF, or a high voltage level when the device is commanded ON.

Check for the following conditions:

    • Poor connections at the PCM or the AIR solenoid valve. Refer to Testing for Intermittent Conditions and Poor Connections in Wiring Systems.
    • A damaged harness -- Inspect the wiring harness for damage. If the harness appears to be OK, disconnect the PCM and turn the ignition ON. Connect a voltmeter between the AIR solenoid control circuit and chassis ground. Turn the ignition ON and observe the voltmeter while moving connectors and wiring harnesses related to the AIR solenoid. A change in voltage will indicate the location of the malfunction. If a problem is found, repair as necessary. Refer to Wiring Repairs in Wiring Systems.

Reviewing the Fail Records vehicle mileage since the diagnostic test last failed may assist in diagnosing the condition. The information may help in determining how often the condition occurs that caused the DTC to set.

Step

Action

Values

Yes

No

1

Did you perform the Powertrain On-Board Diagnostic (OBD) System Check ?

--

Go to Step 2

Go to Powertrain On Board Diagnostic (OBD) System Check

2

Are DTCs P0102, P0443, P0418, and/or P0419 set?

--

Go to Step 3

Go to Step 4

3

Locate and repair the following circuit conditions:

    • Short to ground in ignition feed to the AIR Relays and Solenoid
    • Shorted component that shares the ignition feed circuit

Is action complete?

--

Go to Step 13

--

4

  1. Turn OFF the ignition.
  2. Disconnect the AIR Solenoid connector.
  3. Turn ON the ignition with the engine OFF.
  4. Connect test lamp J 34142-B between the ignition feed circuit in the connector and ground.

Is the test lamp ON?

--

Go to Step 5

Go to Step 9

5

  1. Leave the AIR solenoid valve disconnected.
  2. Turn ON the ignition with the engine OFF.
  3. With the ignition ON, engine OFF, connect test lamp J 34142-B between the AIR solenoid valve control circuit in the connector and ground.

Is the test lamp ON?

--

Go to Step 6

Go to Step 7

6

  1. Turn OFF the ignition.
  2. Disconnect the PCM.
  3. Turn ON the ignition with the engine OFF.
  4. Test the AIR solenoid valve control circuit for a short to voltage.
  5. If the condition is present, repair as necessary. Refer to Wiring Repairs in Wiring Systems.

Did you find and correct the condition?

--

Go to Step 13

Go to Step 12

7

  1. Turn OFF the ignition.
  2. Reconnect the AIR solenoid valve connector.
  3. Turn ON the ignition with the engine OFF.
  4. Using DMM J 39200, measure the voltage between the AIR solenoid valve control circuit and ground.

Does the DMM indicate a voltage near the specified values?

B+

Go to Step 10

Go to Step 8

8

  1. Test the AIR solenoid valve control circuit for the following conditions:
  2. • An open
    • Short to ground
    • Poor connections at the AIR solenoid
  3. If the condition is found, repair as necessary. Refer to Wiring Repairs in Wiring Systems.

Did you find and correct the condition?

--

Go to Step 13

Go to Step 11

9

Locate and repair open ignition feed to the AIR solenoid. Refer to Wiring Repairs in Wiring Systems.

Is action complete?

--

Go to Step 13

--

10

  1. Test for poor connections at the PCM.
  2. If the condition is found, repair as necessary. Refer to Wiring Repairs in Wiring Systems.

Did you find and correct the condition?

--

Go to Step 13

Go to Step 12

11

Replace the AIR solenoid. Refer to Secondary Air Injection Vacuum Control Solenoid Replacement .

Is the action complete?

--

Go to Step 13

--

12

Important: The replacement PCM must be programmed.

Replace the PCM. Refer to Powertrain Control Module Replacement/Programming .

Is the action complete?

--

Go to Step 13

--

13

  1. Turn ON the ignition, with the engine OFF.
  2. Review and record the scan tool Fail Records data.
  3. Clear the DTCs.
  4. Operate the vehicle within the Fail Records conditions.
  5. Monitor the scan tool Specific DTC Information for DTC P0412.

Does the scan tool indicate that DTC passed?

--

System OK

Go to Step 2