GM Service Manual Online
For 1990-2009 cars only

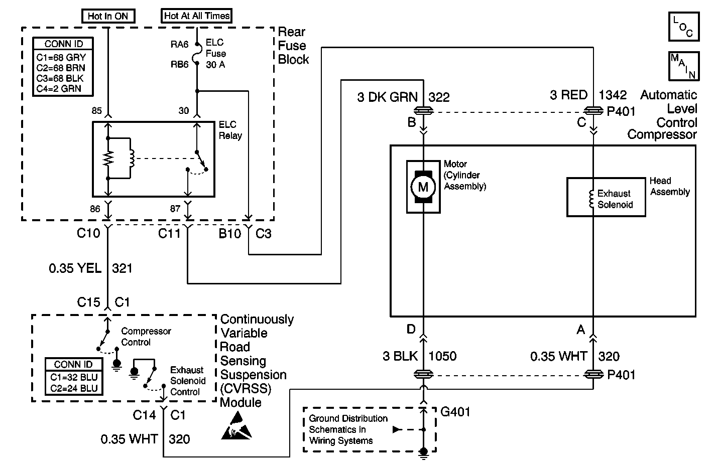
Object Number: 582070  Size: MF
Suspension Controls Component Views
Power and Ground
Ground Distribution Schematics
Handling ESD Sensitive Parts Notice
Road Sensing Suspension Control Module Description
Power and Grounding Connector End Views

Circuit Description

The compressor is switched ON and OFF via an Automatic Level Control compressor relay which is controlled by the Continuously Variable Road Sensing Suspension (CVRSS) module. The control module circuitry provides a switched path to ground (low-side drive) whenever compressor activity is required. This drive circuit is also continually monitored to determine if the voltage level agrees with the commanded state.

Conditions for Running the DTC

    • The Ignition is on.
    • The fault is detected during three consecutive ignition cycles, or during the same ignition cycle after clearing the DTC with a scan tool.

Conditions for Setting the DTC

The DTC is set when the Electronic Suspension Control (ELC) module sees a high voltage condition in the compressor motor control circuit during a compressor ON-state.

Action Taken When the DTC Sets

The compressor relay output drive is disabled for the remainder of the ignition cycle.

Conditions for Clearing the MIL/DTC

    • The scan tool can be used to clear the DTC.
    • The On-Board diagnostic CLEAR RSS CODES feature can be used to clear the DTC.
    • The DTC is saved as history when the Electronic Suspension Control (ELC) module no longer sees a high voltage condition in the compressor motor control circuit while the ELC compressor relay output drive is in an ON-state. The DTC will clear if the fault does not return after 50 consecutive ignition cycles.

Diagnostic Aids

This fault condition is detectable only when the compressor relay output is commanded to the ON-state, which occurs during the Air Replenishment Cycle (ARC) and whenever an upward correction is necessary. The control module expects to see a low voltage condition during the ON-state.

Only electrical problems with the compressor relay coil circuit are flagged. The compressor motor problems and pneumatic leakage problems do not set a DTC, but the Electronic Suspension Control (ELC) module shuts the compressor relay off if there is no progress, or if excessive run times occur. Recovery is not attempted until the ignition is cycled OFF, then ON.

Test Description

The number(s) below refer to the step number(s) on the diagnostic table.

  1. Listen for an audible click when the ELC Relay operates. Command both the ON and OFF states. Repeat the commands as necessary.

  2. Tests for voltage at the coil side of the ELC Relay. The ELC Fuse fuse supplies power to the coil side of the ELC Fuse.

  3. Verifies that the Electronic Suspension Control (ELC) module is providing ground to the ELC Relay.

  4. Tests if ground is constantly being applied to the ELC Relay.

Step

Action

Value(s)

Yes

No

1

Did you perform the Road Sensing Suspension Diagnostic System Check?

--

Go to Step 2

Go to Diagnostic System Check

2

  1. Install a scan tool.
  2. Turn ON the ignition, with the engine OFF.
  3. With a scan tool, command the ELC Relay ON and OFF.

Does the ELC Relay turn ON and OFF with each command?

--

Go to Diagnostic Aids

Go to Step 3

3

  1. Turn OFF the ignition.
  2. Disconnect the ELC Relay.
  3. Turn ON the ignition, with the engine OFF.
  4. Probe the coil side feed circuit of the ELC Relay with a test lamp that is connected to a good ground.

Does the test lamp illuminate?

--

Go to Step 4

Go to Step 10

4

  1. Connect a test lamp between the control circuit of the ELC Relay and the coil side feed circuit of the ELC Relay.
  2. With a scan tool, command the ELC Relay ON and OFF .

Does the test lamp turn ON and OFF with each command?

--

Go to Step 8

Go to Step 5

5

Does the test lamp remain illuminated with each command?

--

Go to Step 7

Go to Step 6

6

Test the control circuit of the ELC Relay for a short to voltage. Refer to Circuit Testing and Wiring Repairs in Wiring Systems.

Did you find and correct the condition?

--

Go to Step 13

Go to Step 9

7

Test the control circuit of the ELC Relay for a short to ground. Refer to Circuit Testing and Wiring Repairs in Wiring Systems.

Did you find and correct the condition?

--

Go to Step 13

Go to Step 9

8

Inspect for poor connections at the ELC Relay. Refer to Testing for Intermittent Conditions and Poor Connections and Connector Repairs in Wiring Systems.

Did you find and correct the condition?

--

Go to Step 13

Go to Step 11

9

Inspect for poor connections at the harness connector of the Electronic Suspension Control (ELC) module. Refer to Testing for Intermittent Conditions and Poor Connections and Connector Repairs in Wiring Systems.

Did you find and correct the condition?

--

Go to Step 13

Go to Step 12

10

Repair the coil side feed circuit of the ELC Relay. Refer to Wiring Repairs in Wiring Systems.

Did you complete the repair?

--

Go to Step 13

--

11

Replace the ELC Relay.

Did you complete the replacement?

--

Go to Step 13

--

12

Important: Perform the set up procedure for the CVRSS .

Replace the Electronic Suspension Control (ELC) module. Refer to Electronic Suspension Control Module Replacement .

Did you complete the replacement?

--

Go to Step 13

--

13

  1. Use the scan tool in order to clear the DTCs .
  2. Operate the vehicle within the Conditions for Running the DTC as specified in the supporting text.

Does the DTC reset?

--

Go to Step 2

System OK