GM Service Manual Online
For 1990-2009 cars only

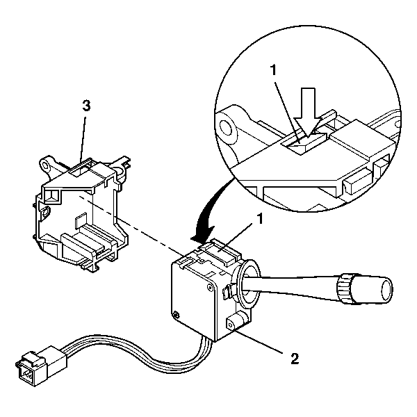
Windshield Wiper and Washer Switch Assembly - Assemble - Off Vehicle Power Tilt and Telescope


    Object Number: 428823  Size: SH
  1. Insert the windshield wiper and washer switch assembly (1) into the signal switch housing assembly. Allow the tabs (2) to fall in place.

  2. Object Number: 428824  Size: SH
  3. Reconnect the windshield wiper and washer switch assembly connector.
  4. Install the upper and lower trim covers. Refer to Steering Column Trim Covers - Assemble - Off Vehicle .

Windshield Wiper and Washer Switch Assembly - Assemble - Off Vehicle Manual Tilt


    Object Number: 428823  Size: SH
  1. Insert the windshield wiper and washer switch assembly (1) into the signal switch housing assembly. Allow the tabs (2) to fall in place.

  2. Object Number: 428824  Size: SH
  3. Reconnect the windshield wiper and washer switch assembly connector.
  4. Install the upper and lower trim covers. Refer to Steering Column Trim Covers - Assemble - Off Vehicle .

Windshield Wiper and Washer Switch Assembly - Assemble - Off Vehicle Right Hand


    Object Number: 312481  Size: SH
  1. Insert the windshield wiper and washer switch assembly (2) into the signal switch housing assembly (3). Allow the tabs (1) to fall in place.

  2. Object Number: 312470  Size: SH

    Notice: Use the correct fastener in the correct location. Replacement fasteners must be the correct part number for that application. Fasteners requiring replacement or fasteners requiring the use of thread locking compound or sealant are identified in the service procedure. Do not use paints, lubricants, or corrosion inhibitors on fasteners or fastener joint surfaces unless specified. These coatings affect fastener torque and joint clamping force and may damage the fastener. Use the correct tightening sequence and specifications when installing fasteners in order to avoid damage to parts and systems.

  3. Install the signal switch housing assembly (2) and secure by using the 3 pan head tapping screws (1).
  4. Tighten
    Tighten the screws to 7 N·m (62 lb in).


    Object Number: 312445  Size: SH
  5. Install the gray (1) connector.
  6. Install the steering column tilt head components. Refer to Steering Column Tilt Head Housing - Assemble - Off Vehicle .