GM Service Manual Online
For 1990-2009 cars only
Makes
🢒
Cadillac
🢒
2001
🢒
Seville
🢒
Body and Accessories
🢒
Entertainment
🢒 Cellular Telephone Schematics
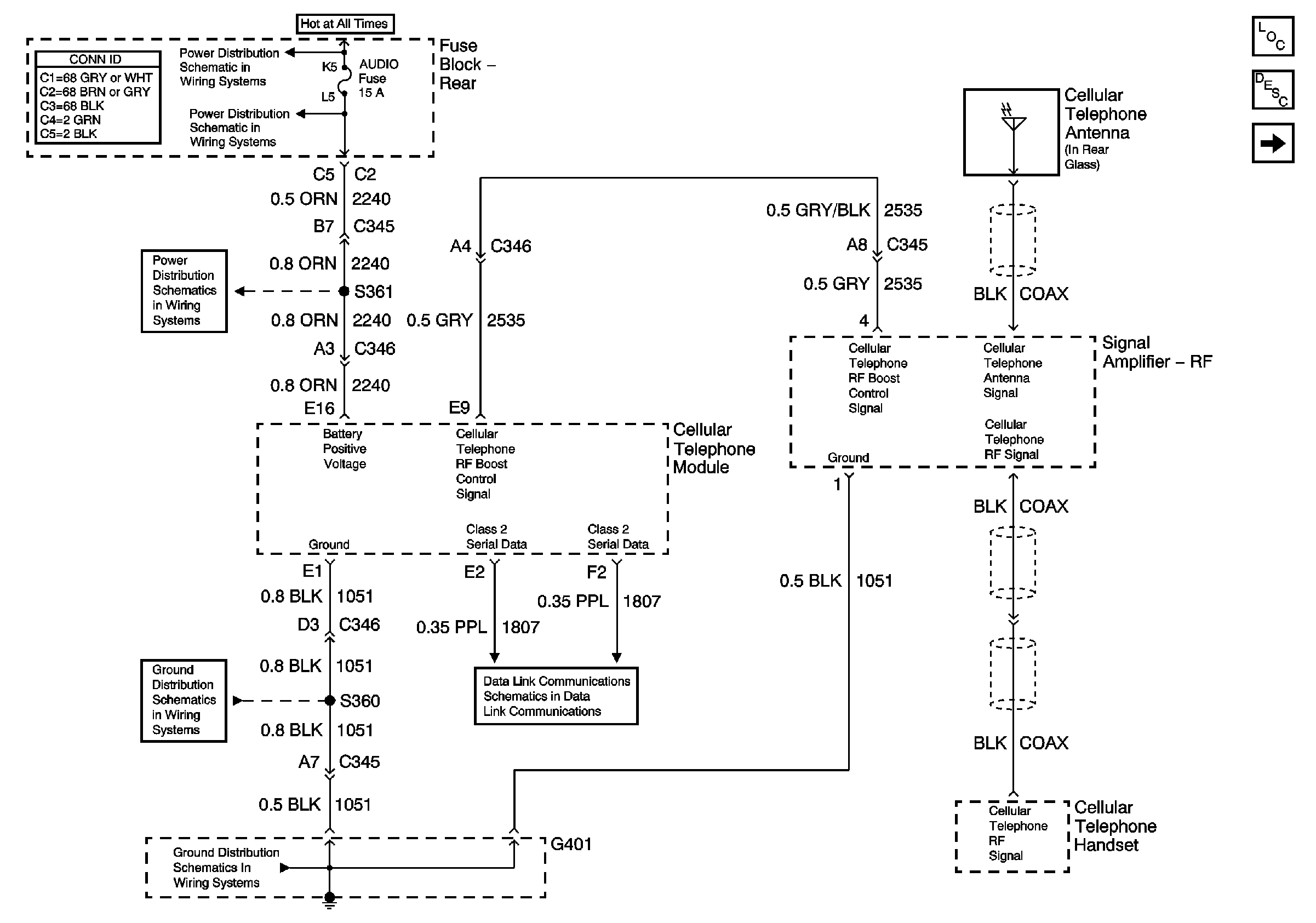
Figure
1:
Power and Ground
Vehicle Interface Unit (VIU), Microphone, Radio Amplifier
Cellular Communication Component Views
Cellular Telephone Description and Operation
Battery Feeds
AUDIO, AUDIO AMP, DIM Fuses
AUDIO, AUDIO AMP, DIM Fuses
G401 (1 of 3)
Class 2 Serial Data Line (LH Drive) (2 of 2)
G401 (1 of 3)
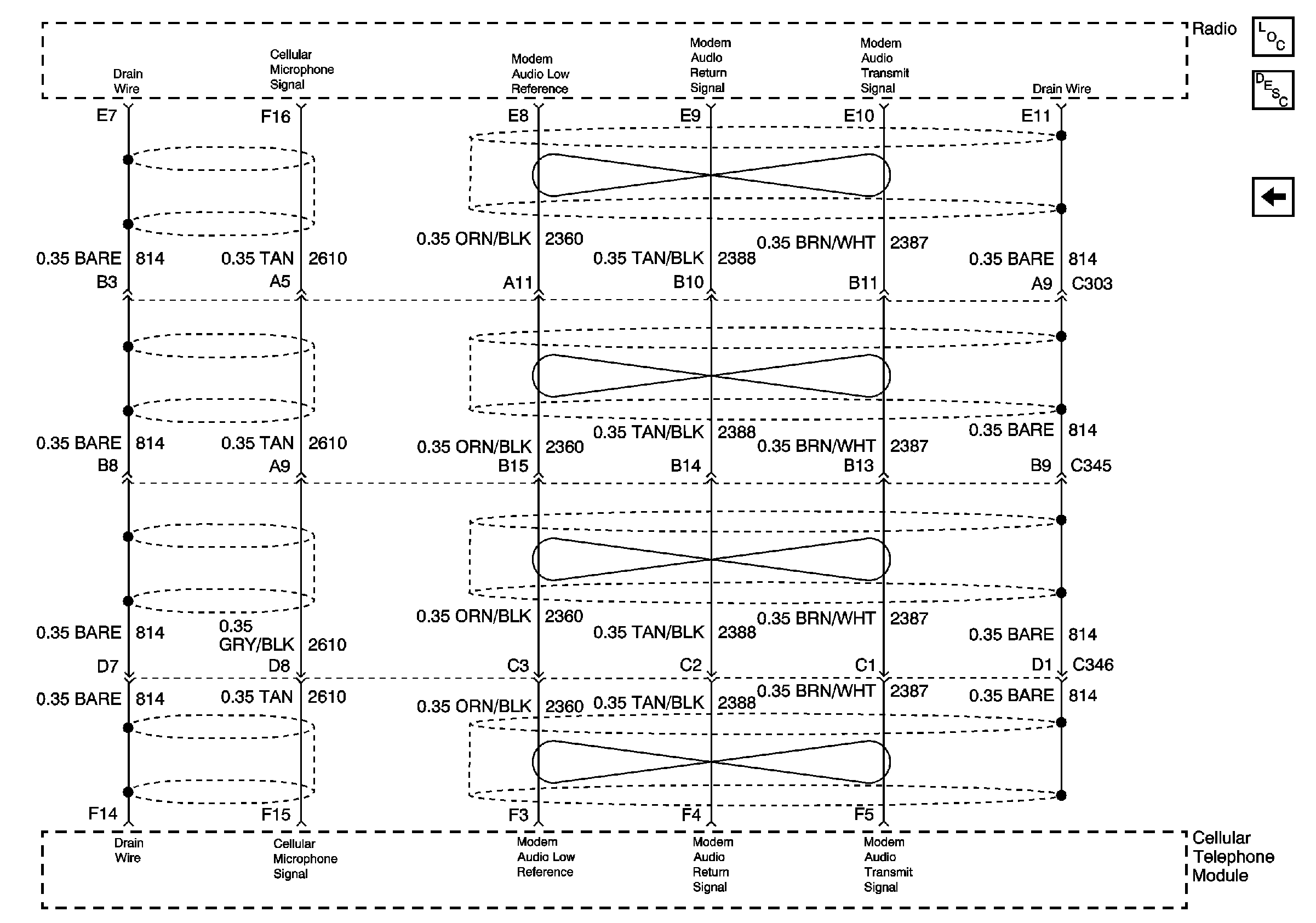
Figure
2:
Vehicle Interface Unit (VIU), Microphone, Radio Amplifier
Power and Ground
Cellular Telephone Interface Board
Cellular Communication Component Views
Cellular Telephone Description and Operation
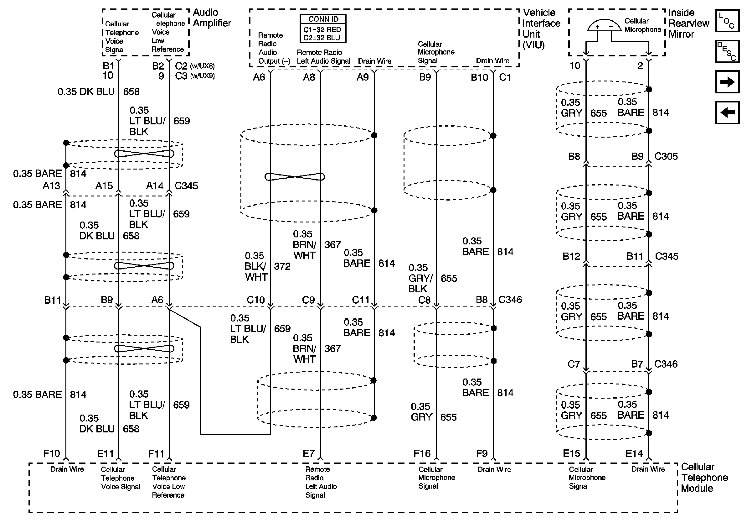
Figure
3:
Cellular Telephone Interface Board
Vehicle Interface Unit (VIU), Microphone, Radio Amplifier
Web Radio
Cellular Communication Component Views
Cellular Telephone Description and Operation
Figure
4:
Web Radio
Cellular Telephone Interface Board
Cellular Communication Component Views
Cellular Telephone Description and Operation