GM Service Manual Online
For 1990-2009 cars only
Makes
🢒
Cadillac
🢒
2001
🢒
Seville
🢒
Body and Accessories
🢒
Garage Door Opener
🢒 Garage Door Opener Schematics
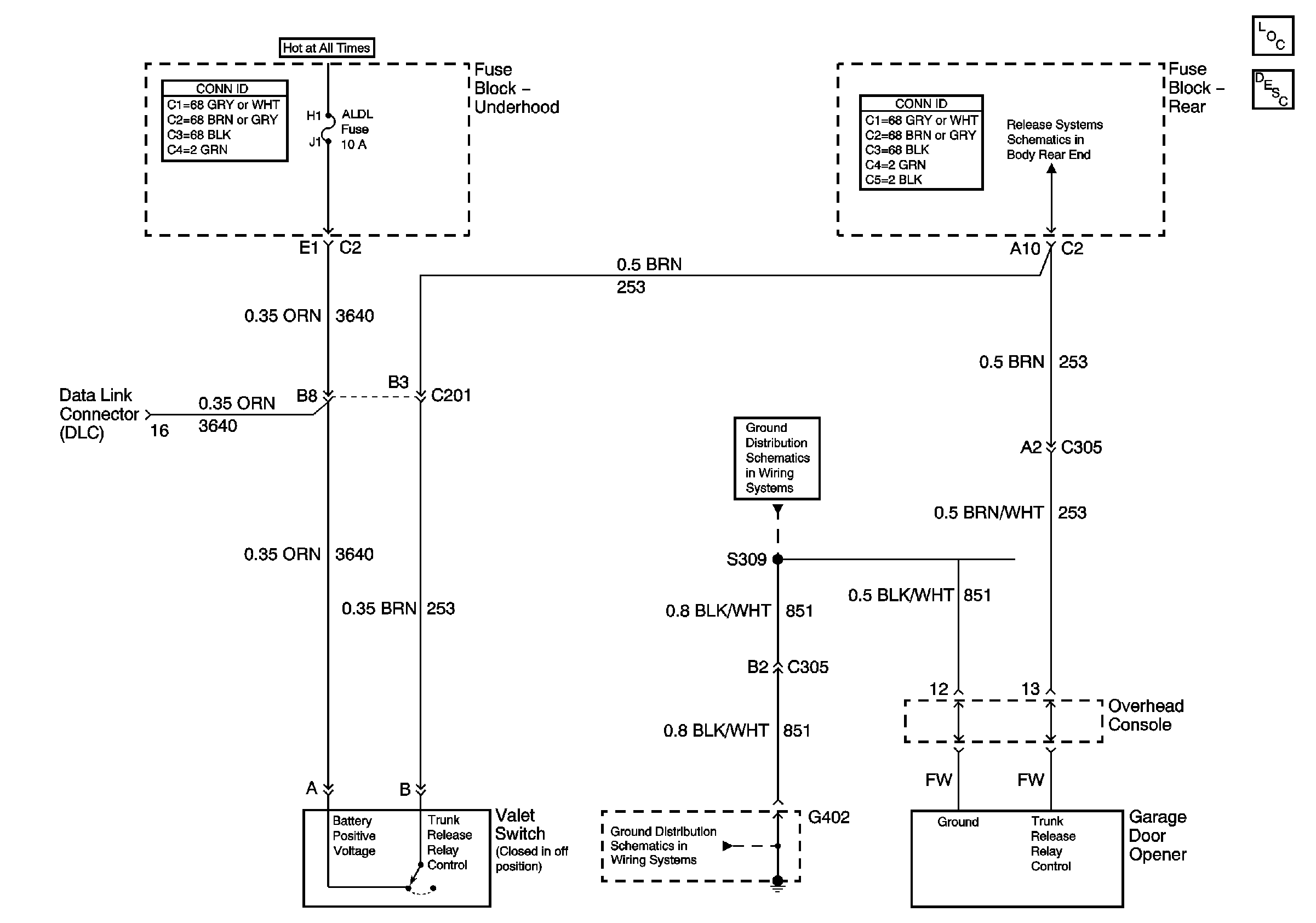
Power and Ground
Garage Door Opener Component Views
Garage Door Opener Description and Operation
Power and Ground
G402 (1 of 2)
G402 (1 of 2)