GM Service Manual Online
For 1990-2009 cars only
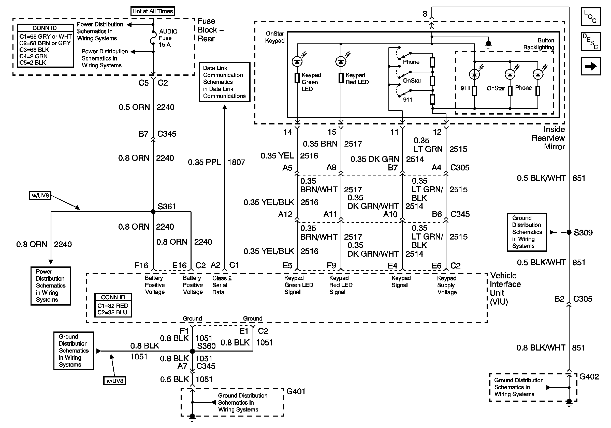
Figure 1:

Module Power and Ground


Object Number: 648287  Size: FS
Microphone, Keypad, and Voice Signals
Cellular Communication Component Views
Class 2 Serial Data Line (LH Drive) (2 of 2)
Battery Feeds
AUDIO, AUDIO AMP, DIM Fuses
Class 2 Serial Data Line (LH Drive) (2 of 2)
AUDIO, AUDIO AMP, DIM Fuses
G401 (1 of 3)
G401 (1 of 3)
G402 (1 of 2)
G402 (1 of 2)
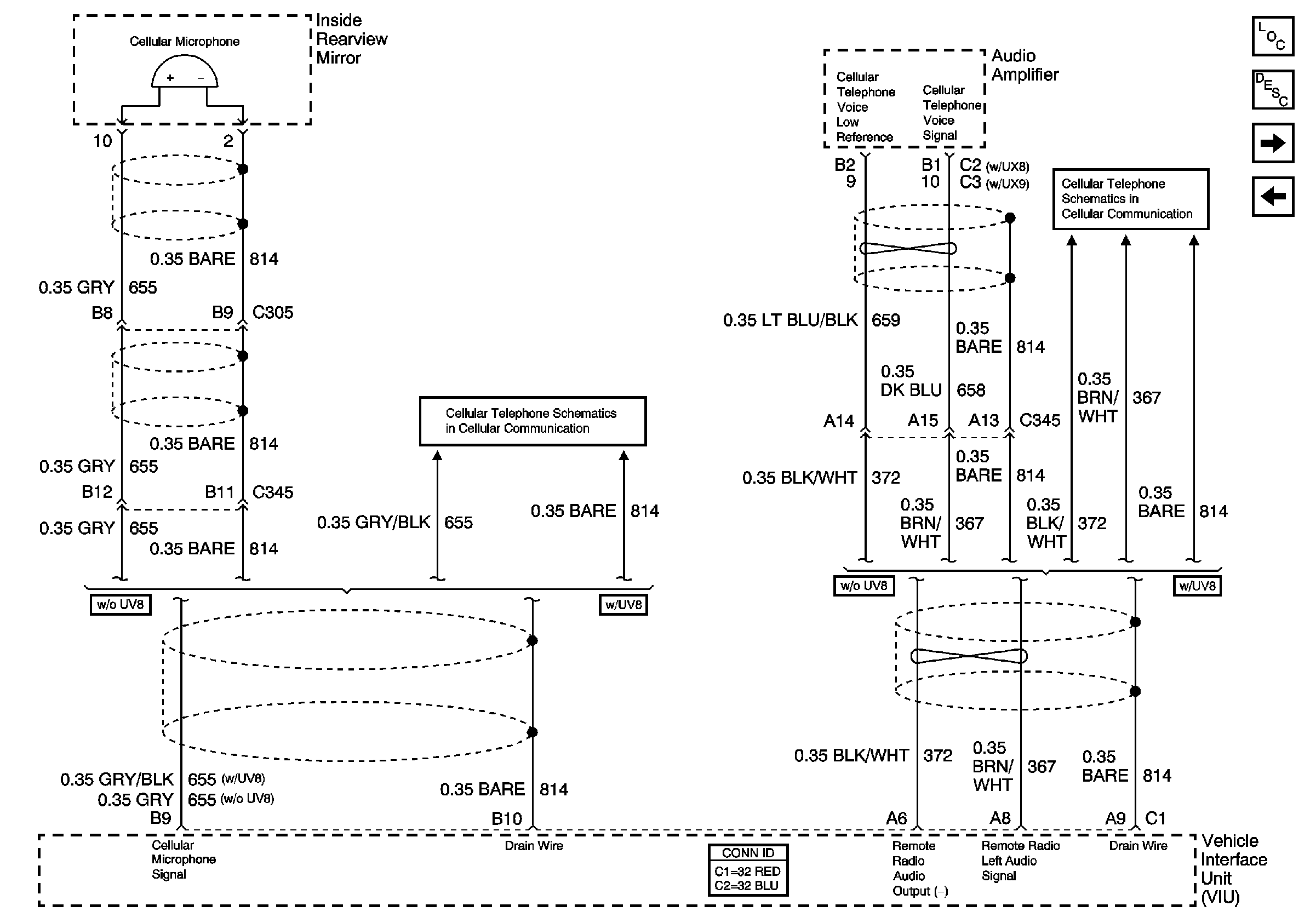
Figure 2:

Microphone, Keypad, and Voice Signals


Object Number: 648288  Size: FS
Module Power and Ground
VIU to VCU Signals
Cellular Communication Component Views
Vehicle Interface Unit (VIU), Microphone, Radio Amplifier
Vehicle Interface Unit (VIU), Microphone, Radio Amplifier
Figure 3:

VIU to VCU Signals


Object Number: 648291  Size: FS
Microphone, Keypad, and Voice Signals
Cellular Communication Component Views
G303, G304, and G307