GM Service Manual Online
For 1990-2009 cars only
Makes
🢒
Cadillac
🢒
2001
🢒
Seville
🢒 Transaxle Sensors and TR Switch
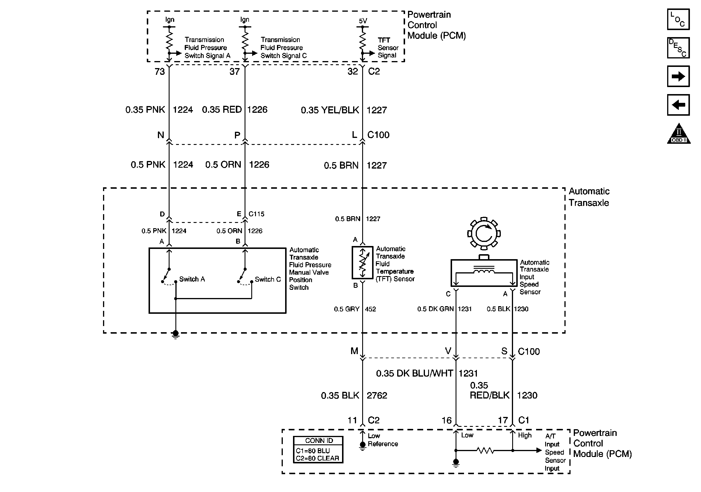
Transaxle Sensors and TR Switch
Transaxle Sensors and TR Switch
ABS/TCC Switch and Transaxle Solenoids
Automatic Transaxle Internal Mode Switch and VSS
Engine Controls Component Views
OBD II Symbol Description Notice