GM Service Manual Online
For 1990-2009 cars only
Makes
🢒
Cadillac
🢒
2001
🢒
Seville
🢒 Generator Controls
Generator Controls
Generator Controls
Starting Controls
Engine Electrical Component Views
Battery Description and Operation
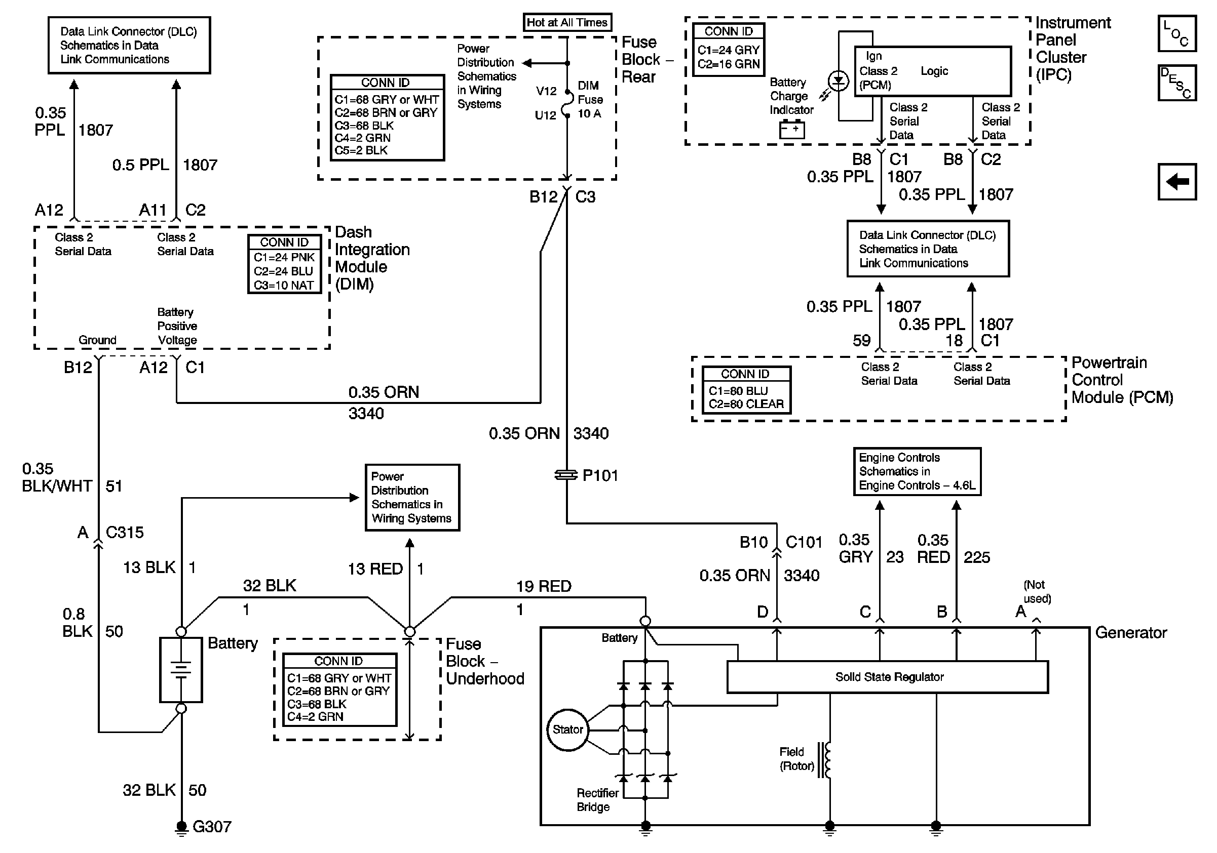
Class 2 Serial Data Line (LH Drive) (1 of 2)
Battery Feeds
Class 2 Serial Data Line (LH Drive) (1 of 2)
Power to Underhood Fuse Block
PCM Inputs/Outputs (1 of 2)