GM Service Manual Online
For 1990-2009 cars only
Makes
🢒
Cadillac
🢒
2001
🢒
Seville
🢒 PCM Signals
PCM Signals
PCM Signals
Power, Ground, and Class 2
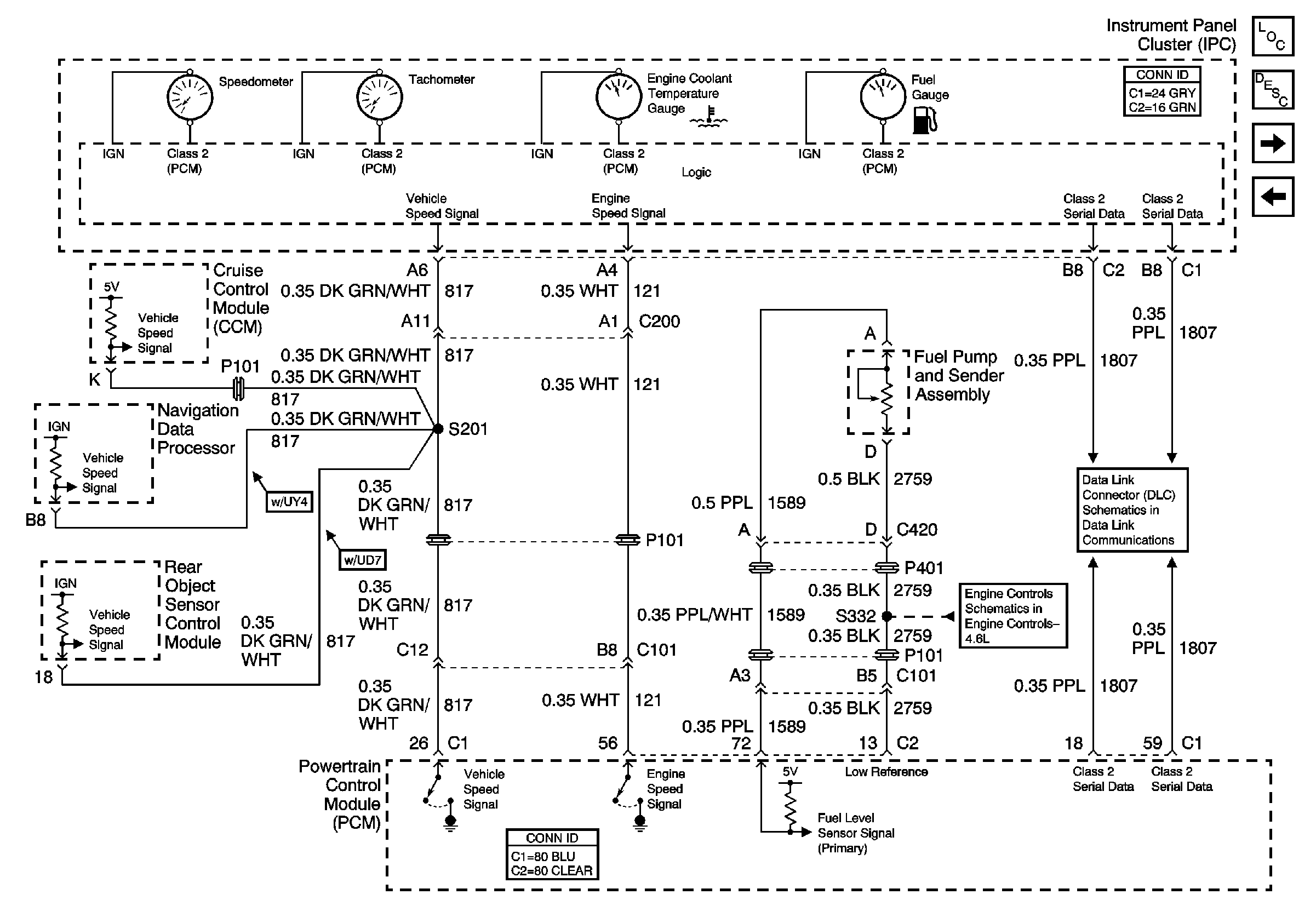
PCM and IPM Signals
Instrument Panel, Gages, and Console Component Views
Indicator/Warning Message Description and Operation
Class 2 Serial Data Line (LH Drive) (1 of 2)
Fuel Pump and MIL