GM Service Manual Online
For 1990-2009 cars only
Makes
🢒
Cadillac
🢒
2001
🢒
Seville
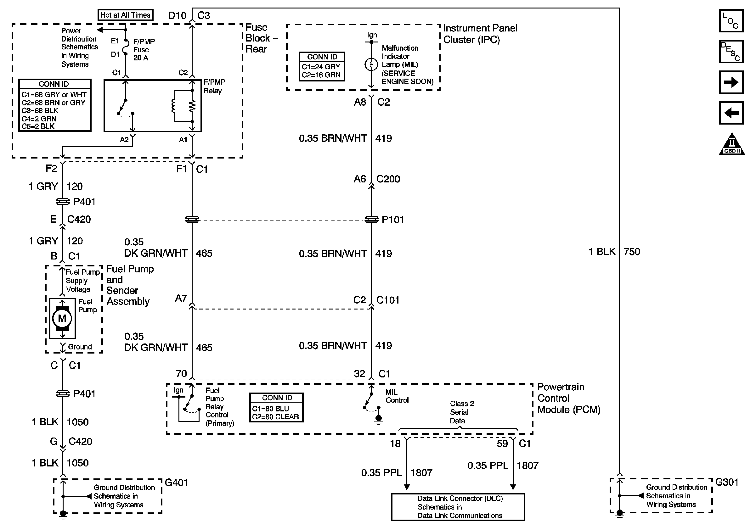
🢒 Fuel Pump and MIL
Fuel Pump and MIL
Fuel Pump and MIL
PCM Power and Grounds
Fuel Injectors
Engine Controls Component Views
OBD II Symbol Description Notice
Fuel System Description
Battery Feeds
G401 (1 of 3)
Class 2 Serial Data Line (LH Drive) (1 of 2)
G301