GM Service Manual Online
For 1990-2009 cars only
Makes
🢒
Cadillac
🢒
2001
🢒
Seville
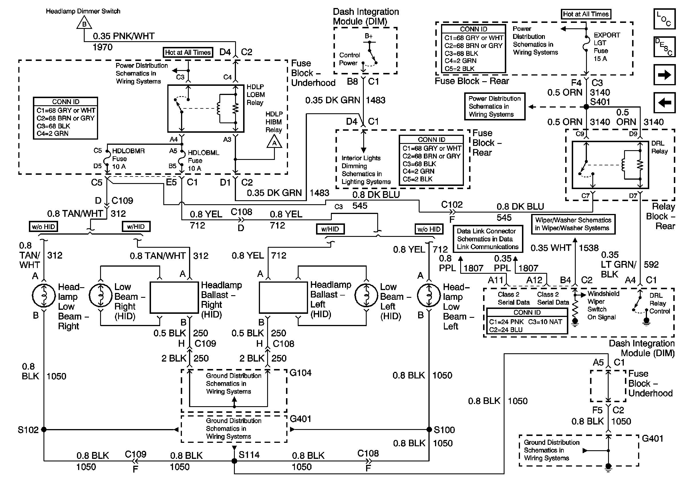
🢒 Low Beam Headlamps
Low Beam Headlamps
Low Beam Headlamps
Headlamp Switch Power and Ground
High Beam Headlamps
Lighting Systems Component Views
Exterior Lighting Systems Description and Operation
High Beam Headlamps
Power to Underhood Fuse Block
High Beam Headlamps
Battery Feeds
Power to Underhood Fuse Block
Dimming Control
Door MDL and ALDL Fuses
G401 (3 of 3)
Class 2 Serial Data Line (LH Drive) (1 of 2)
Power, Ground, and Components
G401 (3 of 3)