GM Service Manual Online
For 1990-2009 cars only
Makes
🢒
Cadillac
🢒
2001
🢒
Seville
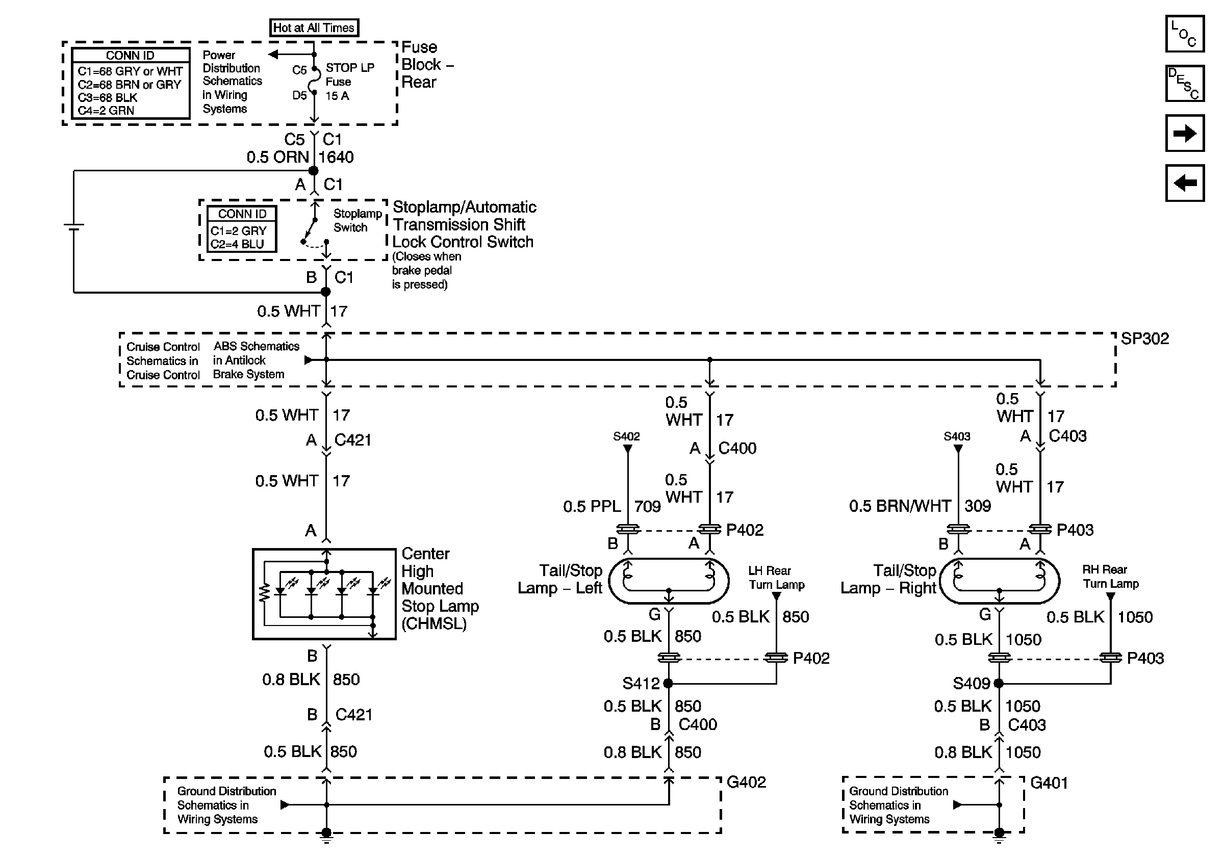
🢒 Stoplamp Switches
Stoplamp Switches
Stoplamp Switches
Hazard Switch
Right Exterior Lights
Lighting Systems Component Views
Exterior Lighting Systems Description and Operation
Battery Feeds
G402 (1 of 2)
G401 (1 of 3)