GM Service Manual Online
For 1990-2009 cars only
Makes
🢒
Cadillac
🢒
2001
🢒
Seville
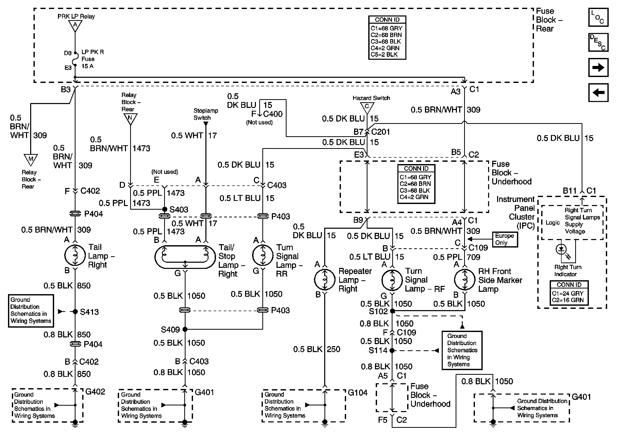
🢒 Right Exterior Lamps
Right Exterior Lamps
Right Exterior Lamps
Stoplamp Switches
Left Exterior Lamps
Lighting Systems Component Views
Exterior Lighting Systems Description and Operation
Park Lamp and Class 2
Position Lamps
Position Lamps
Hazard Switch
G402 (2 of 2)
G402 (2 of 2)
G401 (1 of 3)
G104
G401 (3 of 3)
G401 (3 of 3)