GM Service Manual Online
For 1990-2009 cars only
Makes
🢒
Cadillac
🢒
2001
🢒
Seville
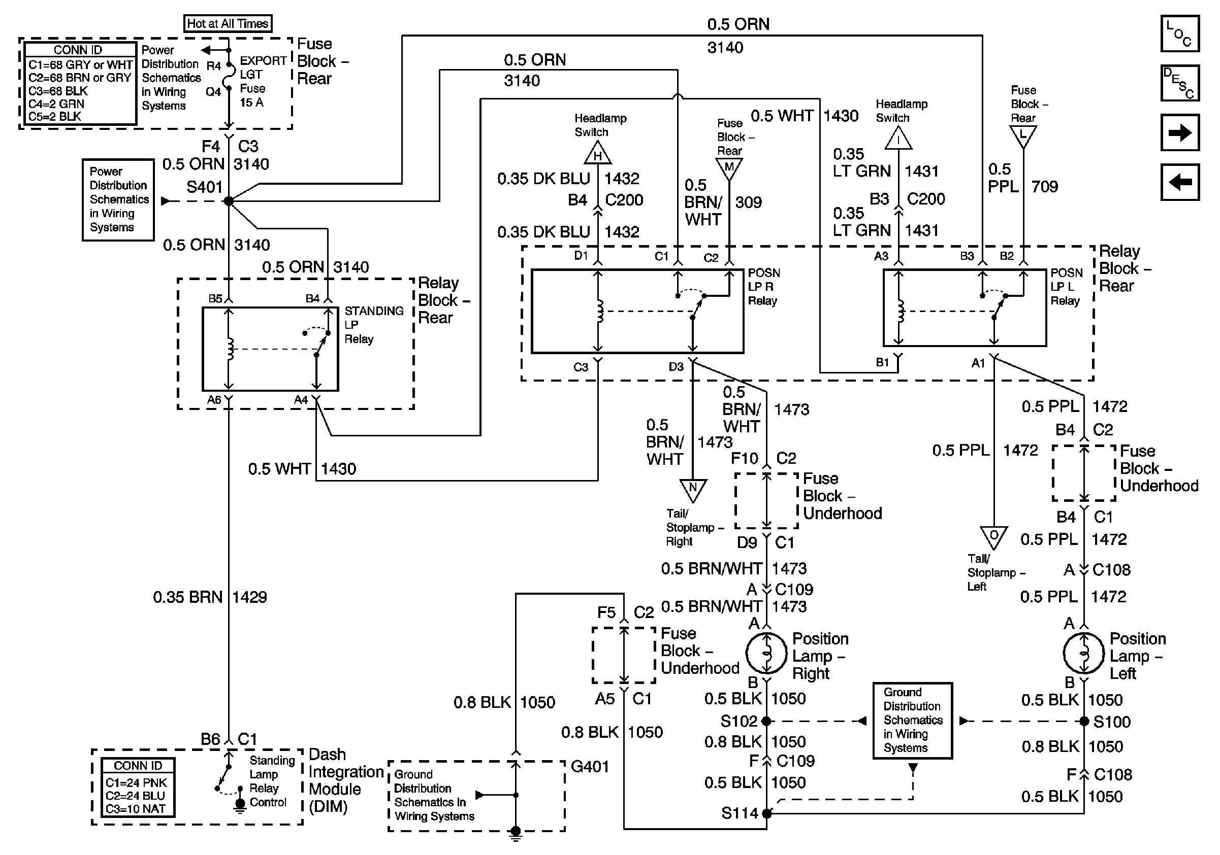
🢒 Position Lamps
Position Lamps
Position Lamps
Left Exterior Lamps
License, Underhood, and Cornering Lamps
Lighting Systems Component Views
Exterior Lighting Systems Description and Operation
Battery Feeds
RAP and EXPORT LGT Fuses
Park Lamp and Class 2
Right Exterior Lamps
Park Lamp and Class 2
Left Exterior Lamps
Right Exterior Lamps
Left Exterior Lamps
G401 (3 of 3)
G401 (3 of 3)