GM Service Manual Online
For 1990-2009 cars only
Makes
🢒
Cadillac
🢒
2001
🢒
Seville
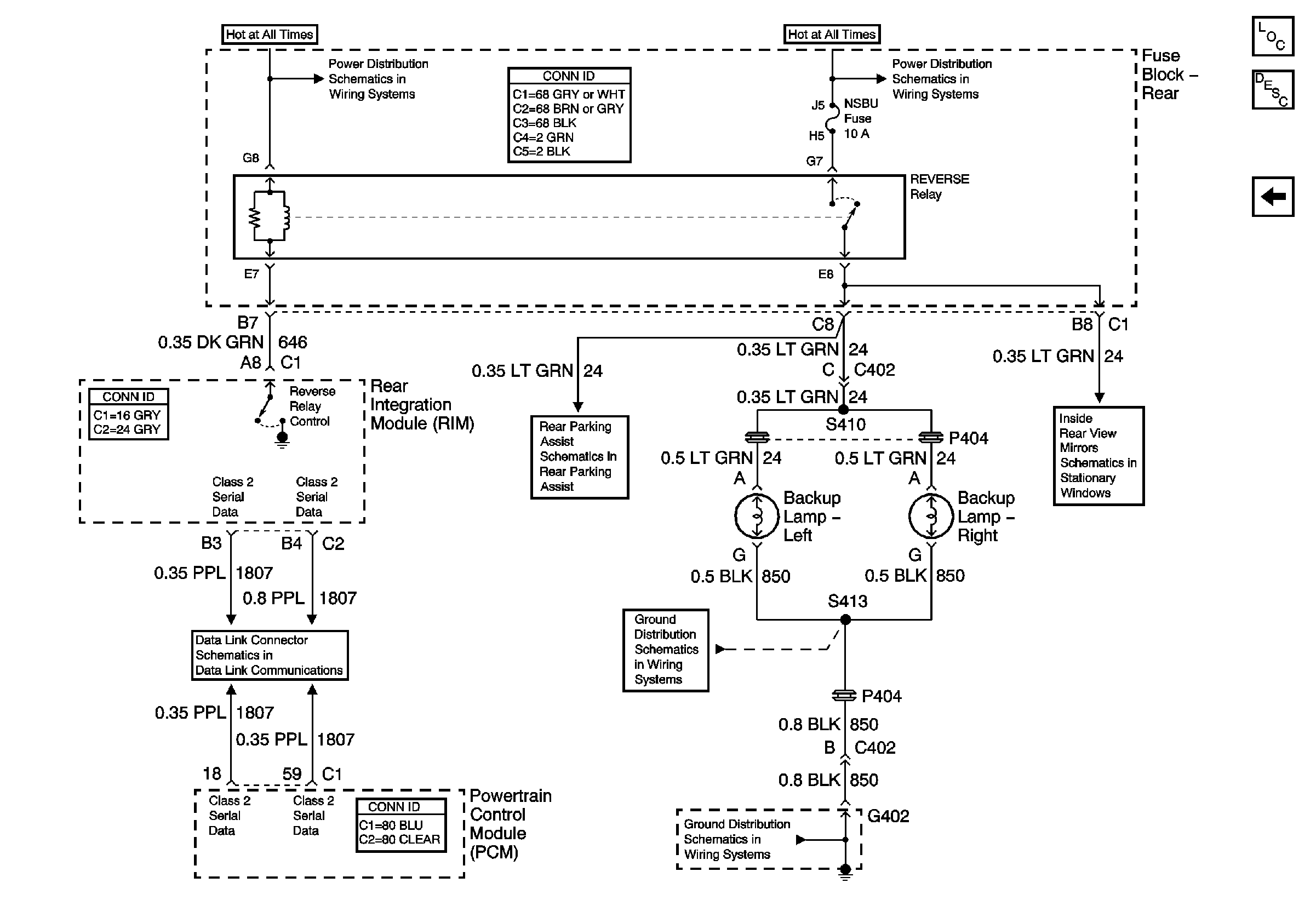
🢒 Backup Lights
Backup Lights
Backup Lights
License, Underhood, and Cornering Lamps
Lighting Systems Component Views
Exterior Lighting Systems Description and Operation
Battery Feeds
Battery Feeds
Class 2 Serial Data Line (LH Drive) (1 of 2)
Rear Object Sensor Control Module Power and Ground
Inside Rearview Mirror Power and Ground
G402 (2 of 2)
G402 (2 of 2)