GM Service Manual Online
For 1990-2009 cars only
Makes
🢒
Cadillac
🢒
2001
🢒
Seville
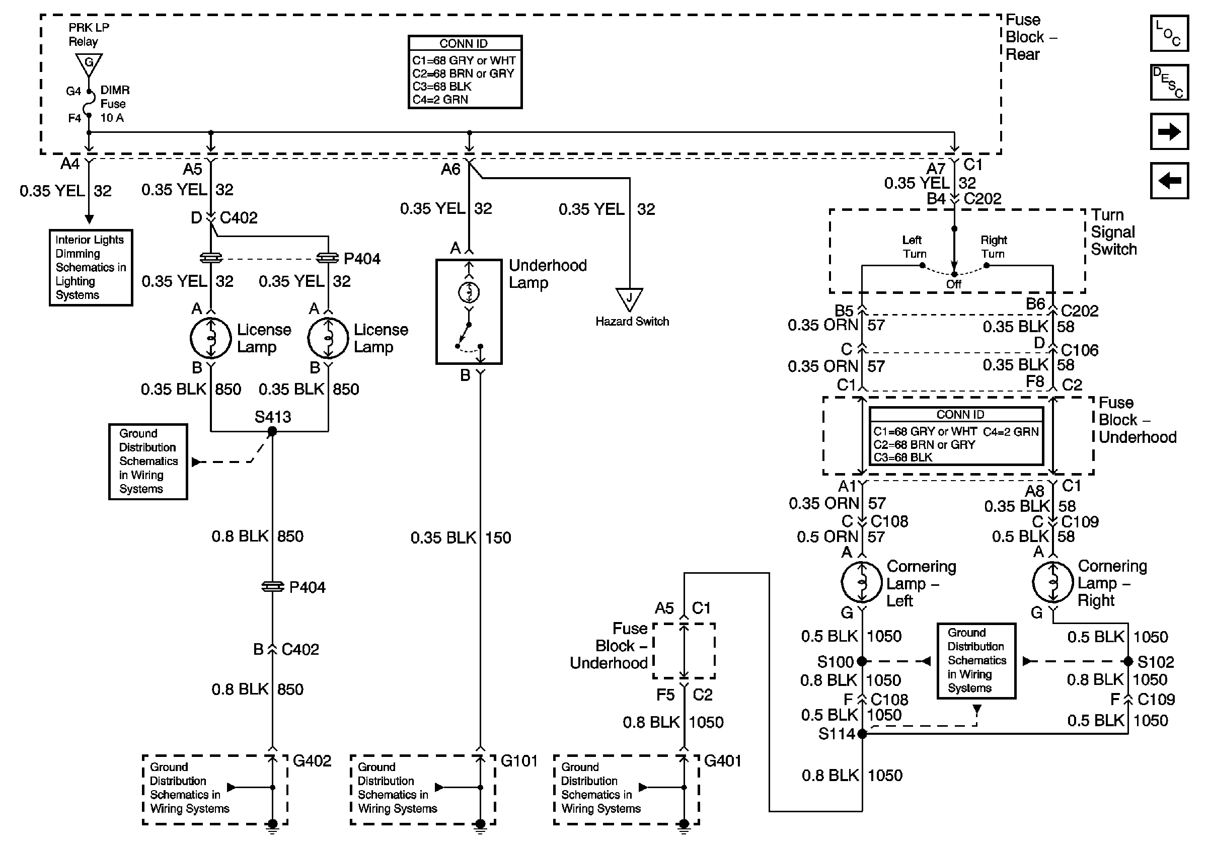
🢒 License, Underhood, and Cornering Lamps
License, Underhood, and Cornering Lamps
License, Underhood, and Cornering Lamps
Left Exterior Lamps
Backup Lights
Lighting Systems Component Views
Exterior Lighting Systems Description and Operation
Park Lamp and Class 2
Dimming Control
Hazard Switch
G402 (2 of 2)
G402 (2 of 2)
G101 and G105
G401 (3 of 3)
G401 (3 of 3)