GM Service Manual Online
For 1990-2009 cars only
Makes
🢒
Cadillac
🢒
2001
🢒
Seville
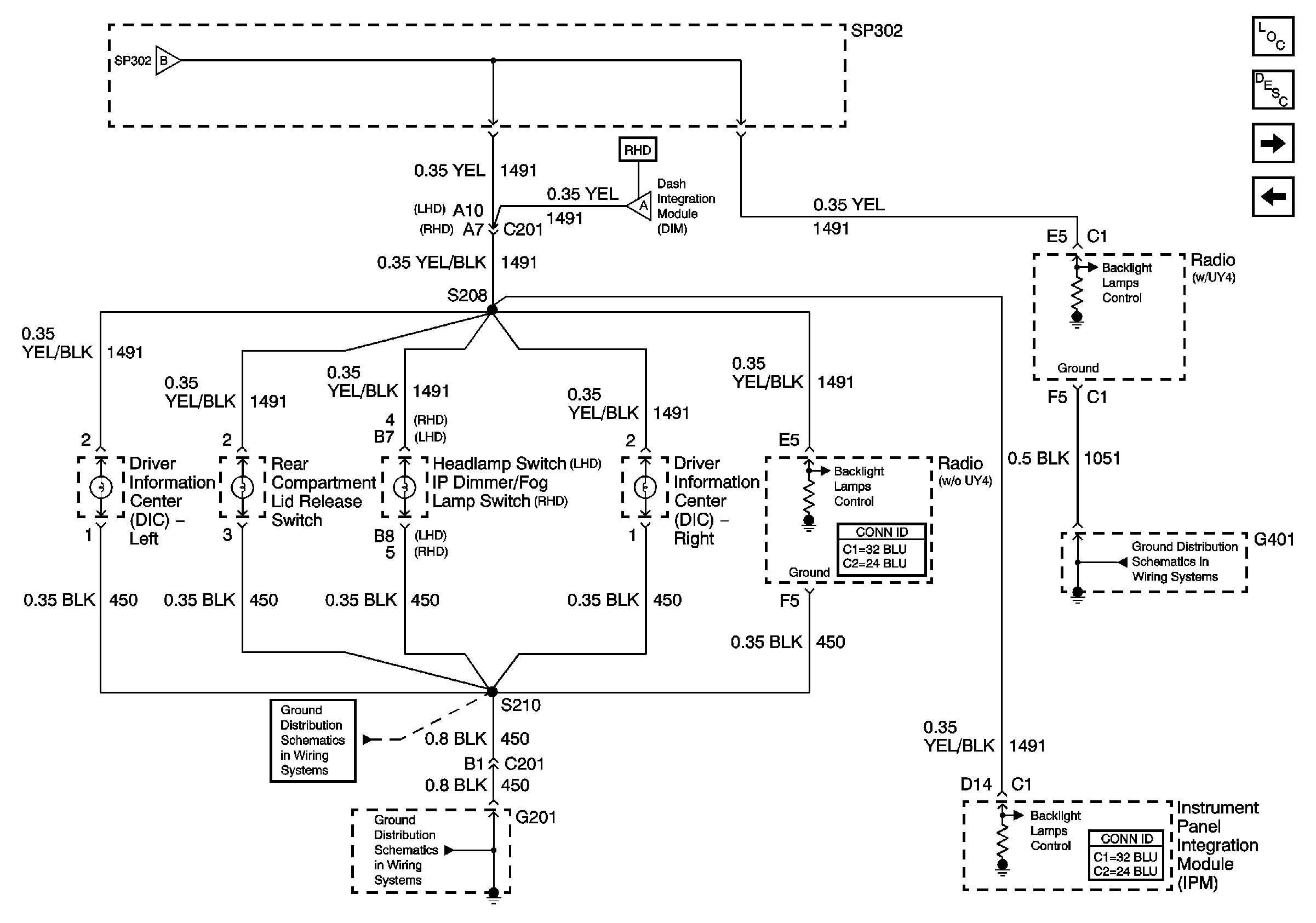
🢒 DIC and Headlamp Switch
DIC and Headlamp Switch
DIC and Headlamp Switch
Ashtray Lamp and Steering Wheel Controls
Front Door Dimming
Lighting Systems Component Views
Interior Lighting Systems Description and Operation
Ashtray Lamp and Steering Wheel Controls
Dimming Control
G401 (2 of 3)
G201 (2 of 3)
G201 (2 of 3)