GM Service Manual Online
For 1990-2009 cars only
Makes
🢒
Cadillac
🢒
2001
🢒
Seville
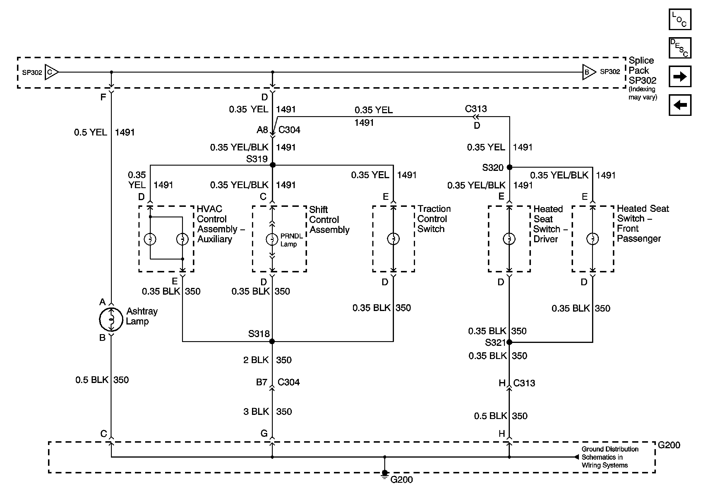
🢒 Ashtray Lamp and Steering Wheel Controls
Ashtray Lamp and Steering Wheel Controls
Ashtray Lamp and Steering Wheel Controls
Dimming Control
DIC and Headlamp Switch
Lighting Systems Component Views
Interior Lighting Systems Description and Operation
Steering Wheel Controls
DIC and Headlamp Switch