GM Service Manual Online
For 1990-2009 cars only
Makes
🢒
Cadillac
🢒
2001
🢒
Seville
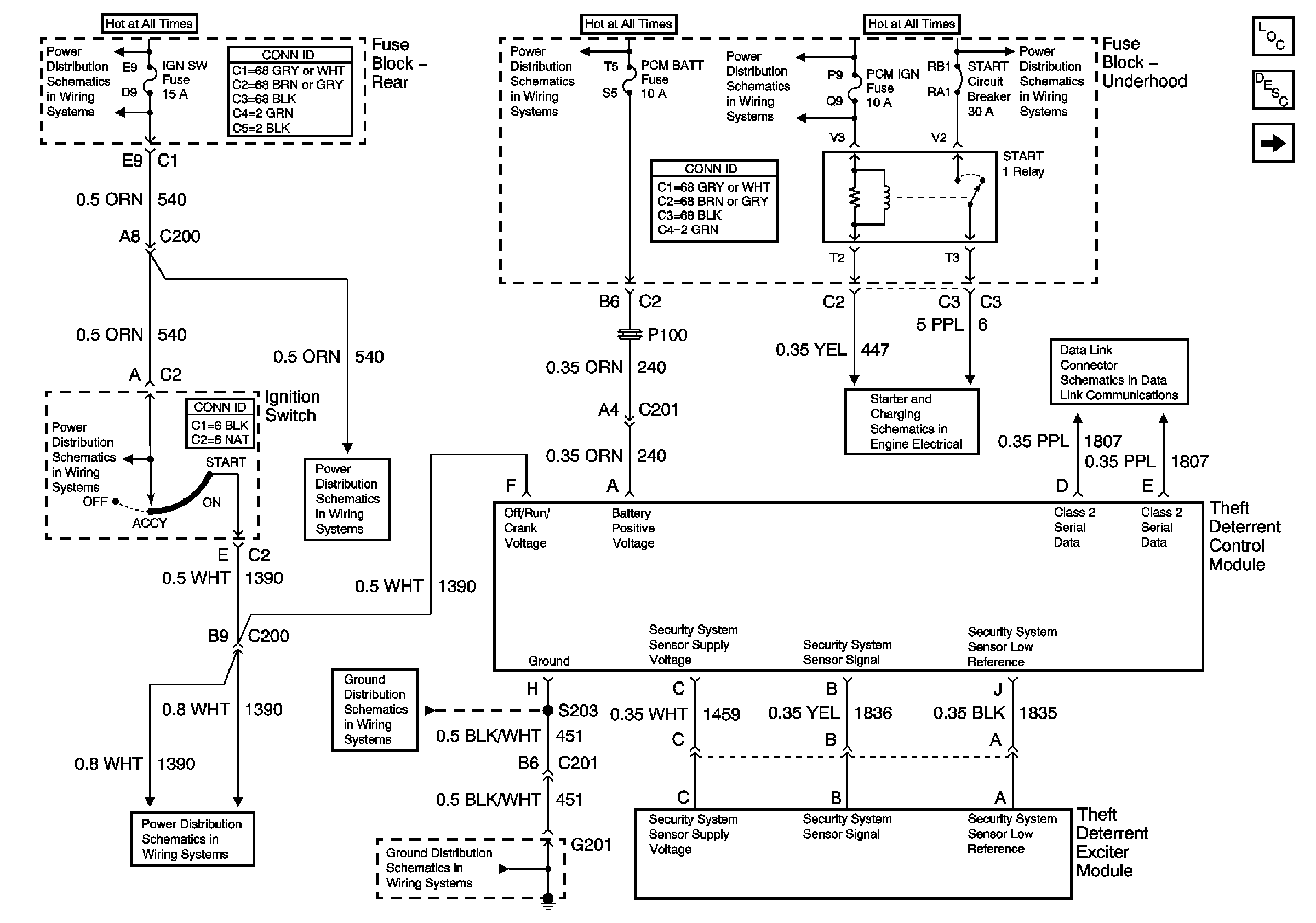
🢒 Power and Ground PASS-Key LHD
Power and Ground PASS-Key LHD
Power and Ground PASS-Key LHD
Power and Ground PASS-Key RHD
Theft Deterrent System Component Views
Battery Feeds
Power to Underhood Fuse Block
Power to Underhood Fuse Block
Power to Underhood Fuse Block
Ignition Switch
Ignition Switch
Ignition Switch
G201 (1 of 3)
G201 (1 of 3)
Starting Controls
Class 2 Serial Data Line (LH Drive) (1 of 2)