GM Service Manual Online
For 1990-2009 cars only
Makes
🢒
Cadillac
🢒
2001
🢒
Seville
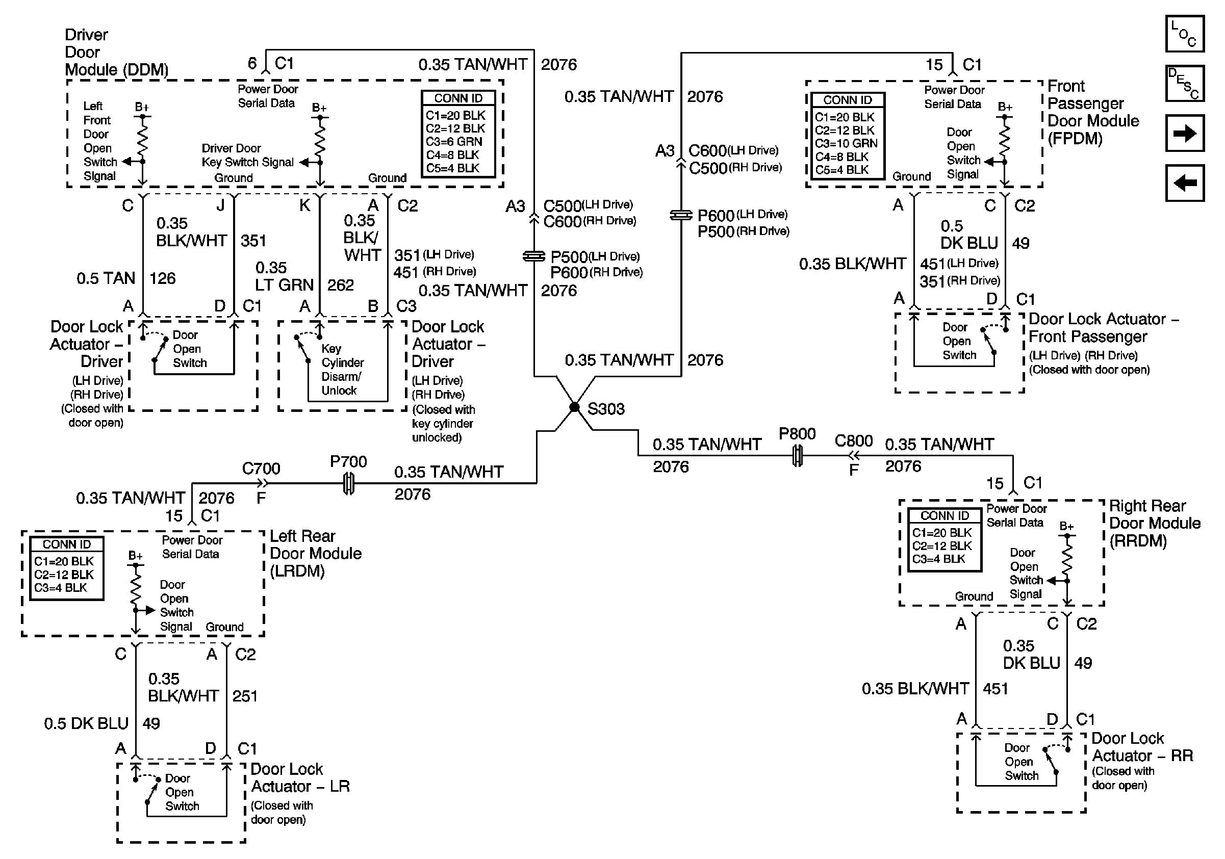
🢒 Power Door Serial Data and Door Lock Actuator Inputs
Power Door Serial Data and Door Lock Actuator Inputs
Power Door Serial Data and Door Lock Actuator Inputs
Power and Ground PASS-Key RHD
Class 2 and Tamper Switches
Theft Deterrent System Component Views