GM Service Manual Online
For 1990-2009 cars only
Makes
🢒
Cadillac
🢒
2001
🢒
Seville
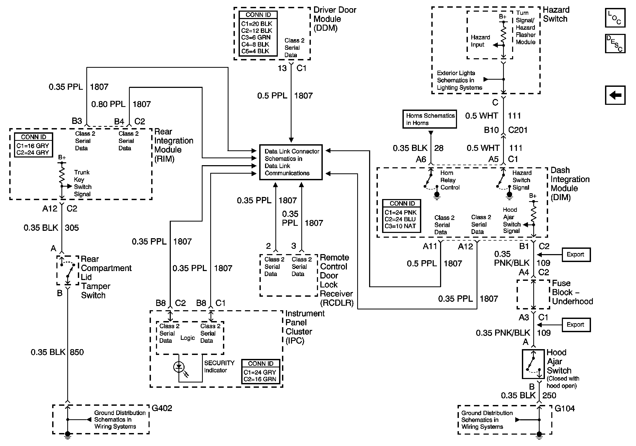
🢒 Class 2 and Tamper Switches
Class 2 and Tamper Switches
Class 2 and Tamper Switches
Power Door Serial Data and Door Lock Actuator Inputs
Theft Deterrent System Component Views
Class 2 Serial Data Line (LH Drive) (1 of 2)
Power and Ground
G402 (1 of 2)
G104