GM Service Manual Online
For 1990-2009 cars only
Makes
🢒
Cadillac
🢒
2001
🢒
Seville
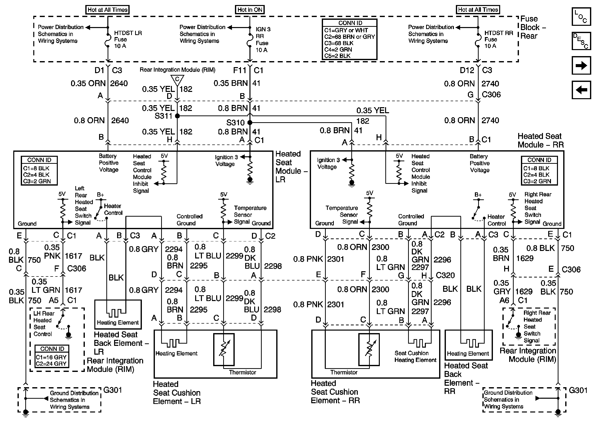
🢒 Rear Heated Seat Modules
Rear Heated Seat Modules
Rear Heated Seat Modules
RH Front Heated Seat
Rear Heated Seat Switches
Power Seat Component Views
Heated Seats Description and Operation
Battery Feeds
Battery Feeds
Battery Feeds
LH Front Heated Seat
G301
G301