GM Service Manual Online
For 1990-2009 cars only
Makes
🢒
Cadillac
🢒
2001
🢒
Seville
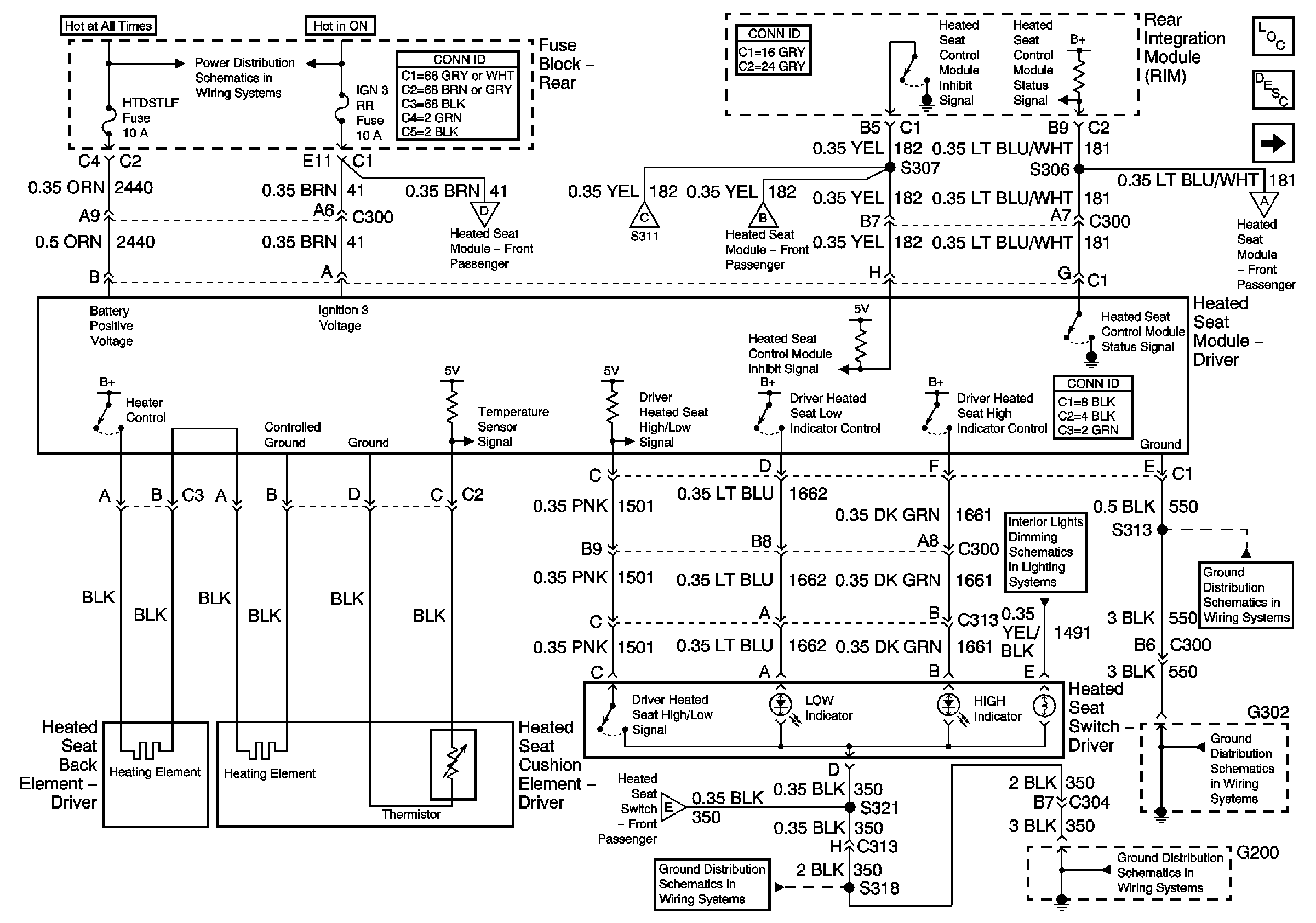
🢒 LH Front Heated Seat
LH Front Heated Seat
LH Front Heated Seat
RH Front Heated Seat
Power Seat Component Views
Heated Seats Description and Operation
Battery Feeds
RH Front Heated Seat
Rear Heated Seat Modules
RH Front Heated Seat
RH Front Heated Seat
RH Front Heated Seat
G200 and G202
Ashtray Lamp and Steering Wheel Controls
G302 (RH Drive)
G302 (RH Drive)
G200 and G202