GM Service Manual Online
For 1990-2009 cars only
Makes
🢒
Cadillac
🢒
2001
🢒
Seville
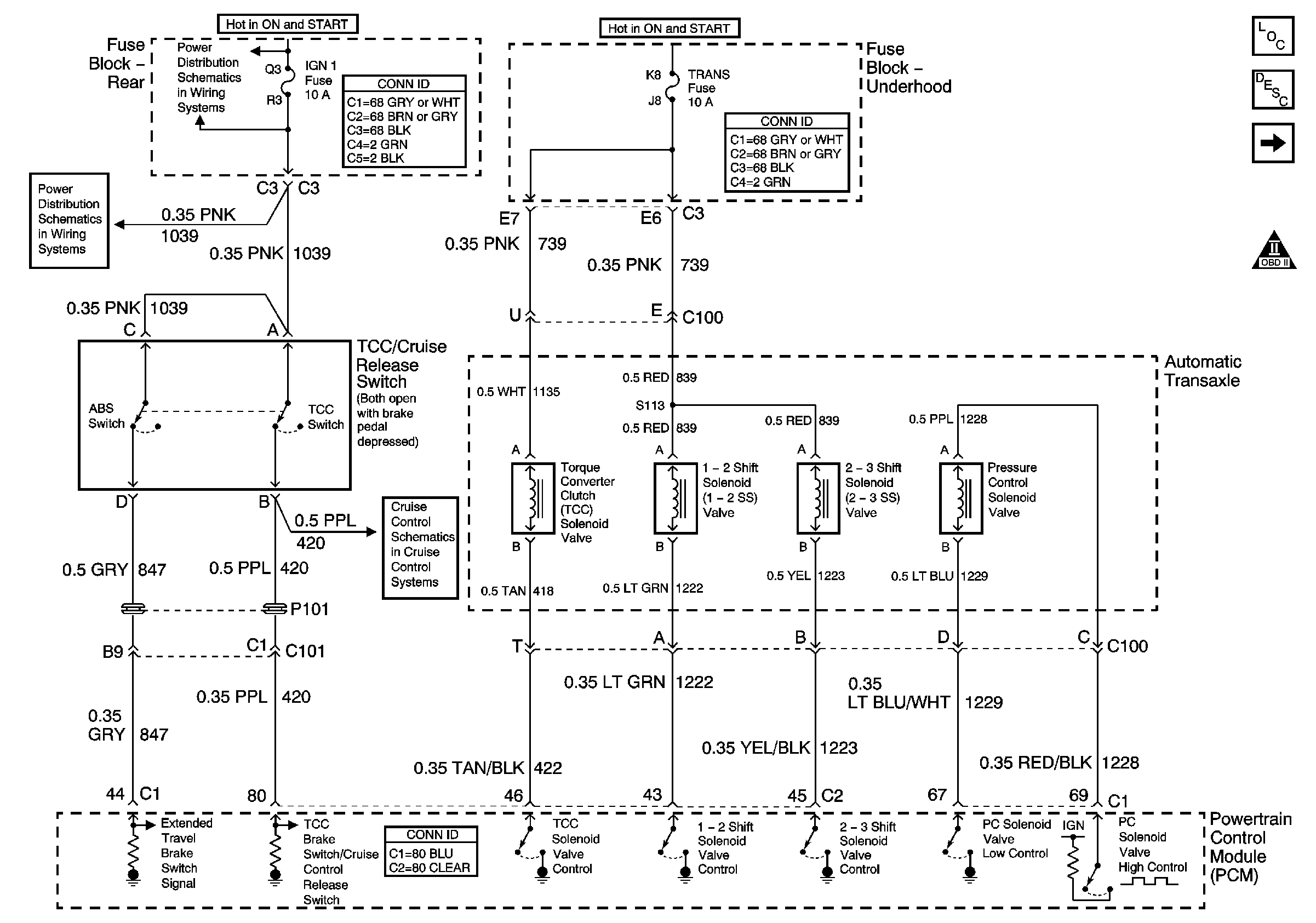
🢒 TCC/Cruise Release Switch and Transaxle Solenoids
TCC/Cruise Release Switch and Transaxle Solenoids
TCC/Cruise Release Switch and Transaxle Solenoids
Master Electrical Component List
Electronic Component Description
Transaxle Sensors
Automatic Transmission Schematic Icons
Cruise Control Module (CCM) Power and Ground
Inside Rearview Mirror Power and Ground
Battery Feed to Fuse Block - Rear