GM Service Manual Online
For 1990-2009 cars only
Makes
🢒
Cadillac
🢒
2001
🢒
Seville
🢒 PCM Controls and Class 2
PCM Controls and Class 2
PCM Controls and Class 2
Master Electrical Component List
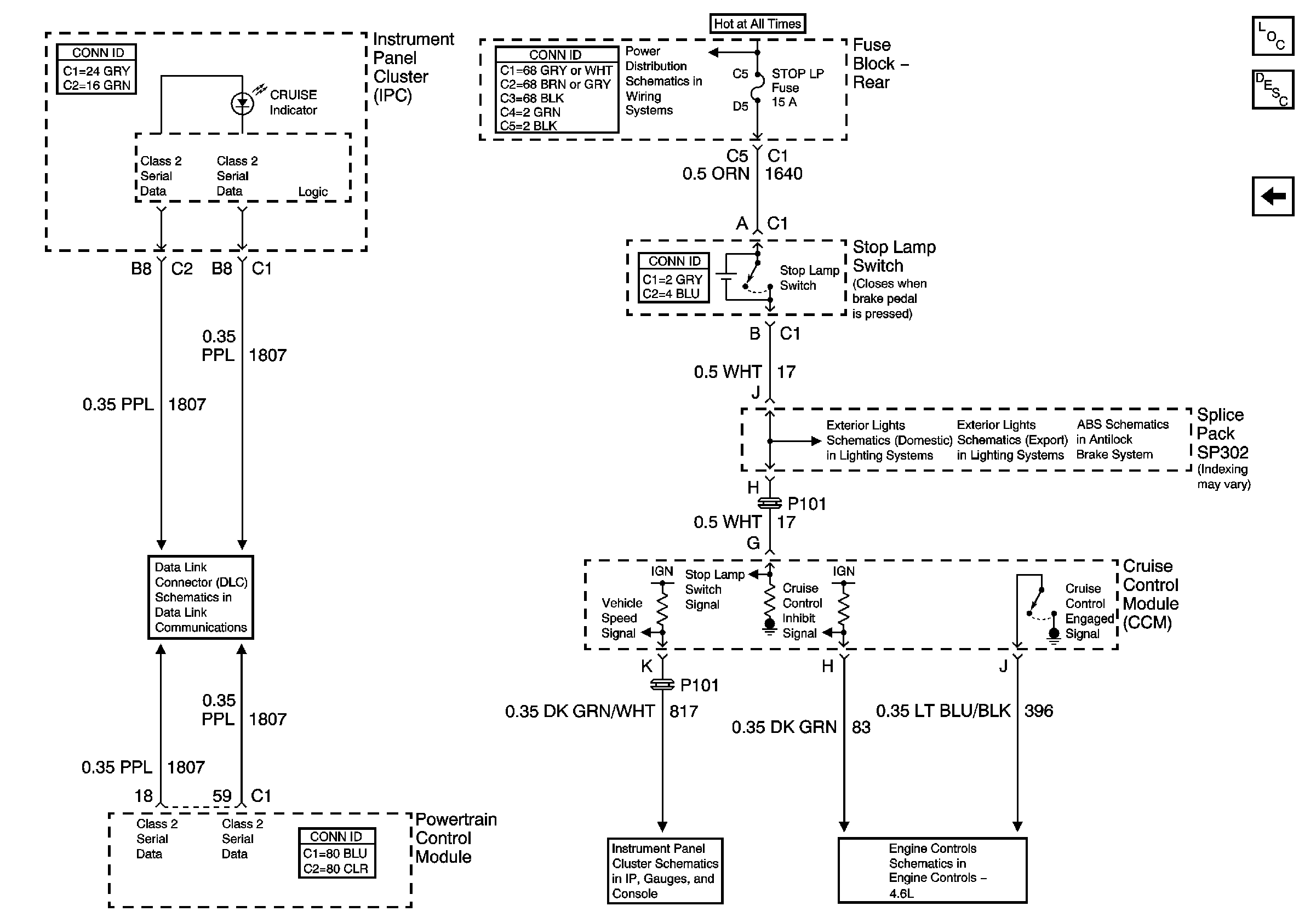
Cruise Control Description and Operation
Cruise Control Module (CCM) Power and Ground
Power, Ground, Stop Lamp Switch, Solenoid Valves, and Pump Motor
Stop Lamp Switch
Stop Lamp Switch
Controlled/Monitored Subsystem References
PCM Signals
Class 2 Serial Data Line (LH Drive) (1 of 2)
Battery Feed to Fuse Block - Rear