GM Service Manual Online
For 1990-2009 cars only

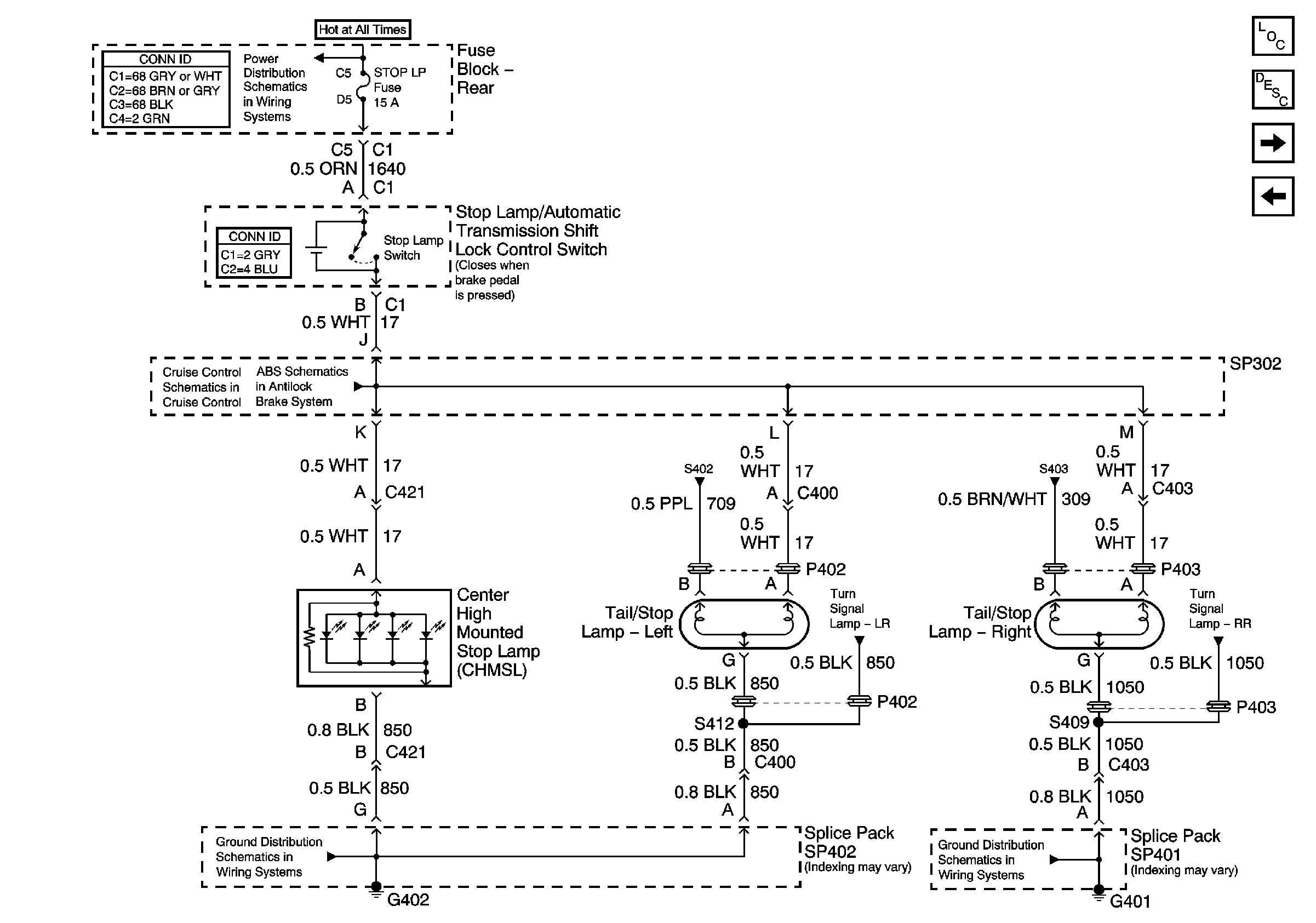
Stop Lamp Switch

Stop Lamp Switch


Object Number: 783674  Size: FS
Master Electrical Component List
Exterior Lighting Systems Description and Operation
Right Exterior Lights
Hazard Switch
G401 1 of 3
G402 1 of 2
PCM Controls and Class 2
Power, Ground, Stop Lamp Switch, Solenoid Valves, and Pump Motor
Battery Feed to Fuse Block - Rear