GM Service Manual Online
For 1990-2009 cars only
Makes
🢒
Cadillac
🢒
2001
🢒
Seville
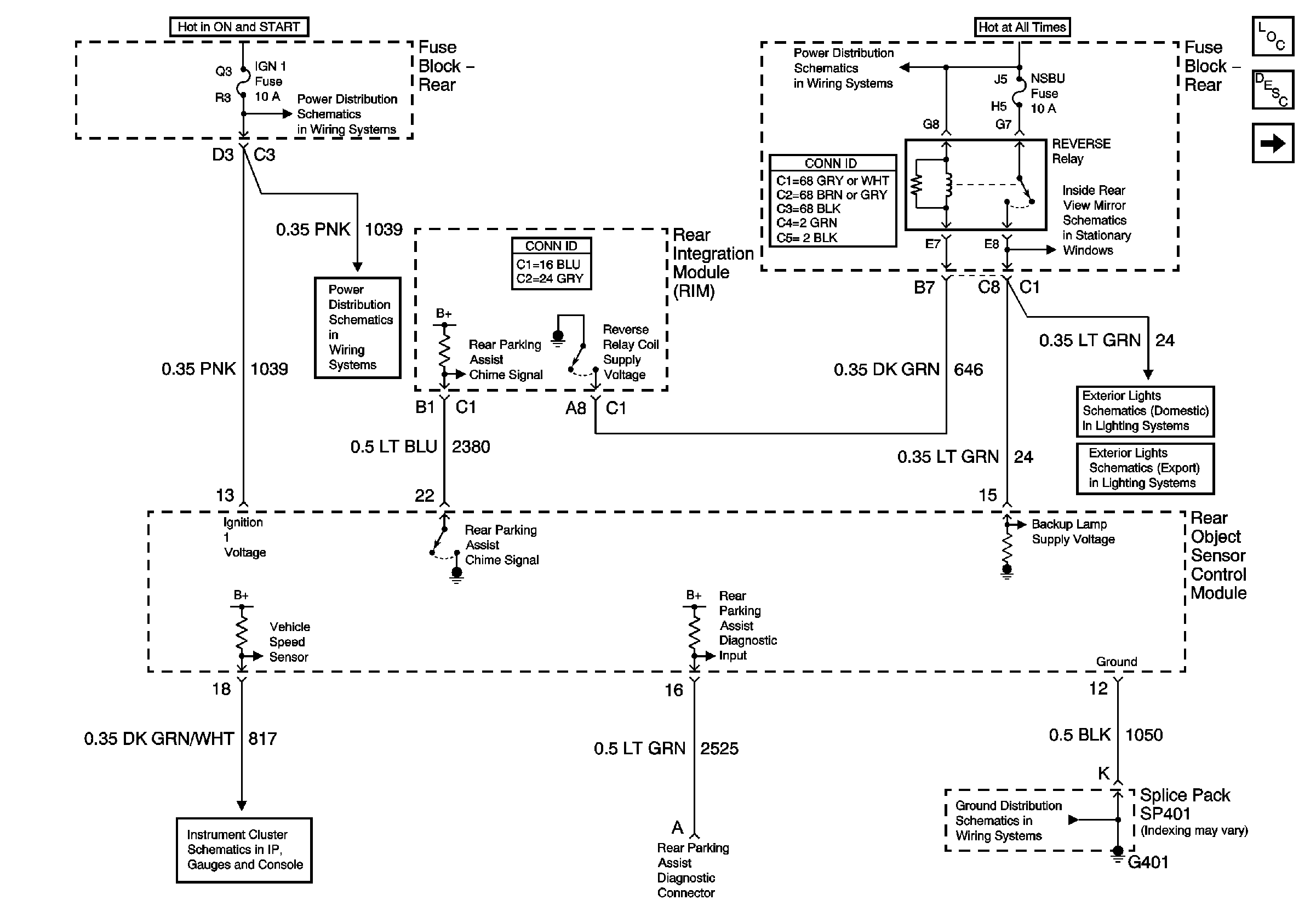
🢒 Power and Ground
Power and Ground
Power and Ground
Master Electrical Component List
Object Detection Description and Operation
Object Sensors
Backup Lights
Backup Lights
G401 2 of 3
PCM Signals
IGN 1 Fuse
Battery Feed to Fuse Block - Rear
Battery Feed to Fuse Block - Rear
Inside Rearview Mirror Power and Ground