GM Service Manual Online
For 1990-2009 cars only
Makes
🢒
Cadillac
🢒
2001
🢒
Seville
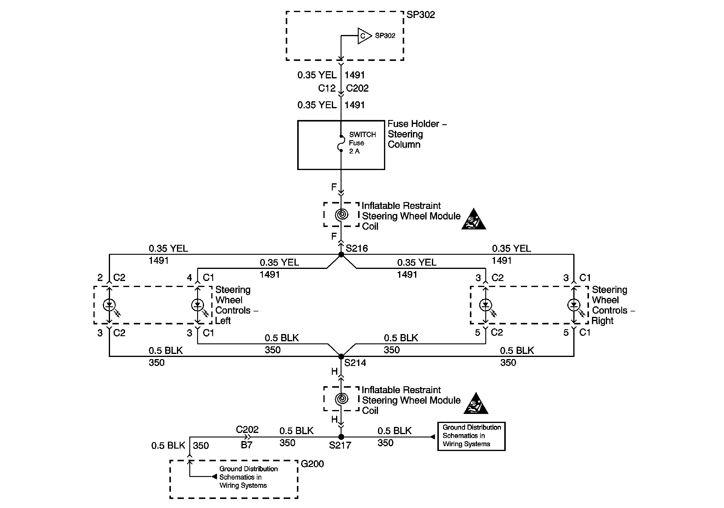
🢒 Steering Wheel Controls
Steering Wheel Controls
Steering Wheel Controls
Ashtray Lamp and Steering Wheel Controls
G200
G200