GM Service Manual Online
For 1990-2009 cars only

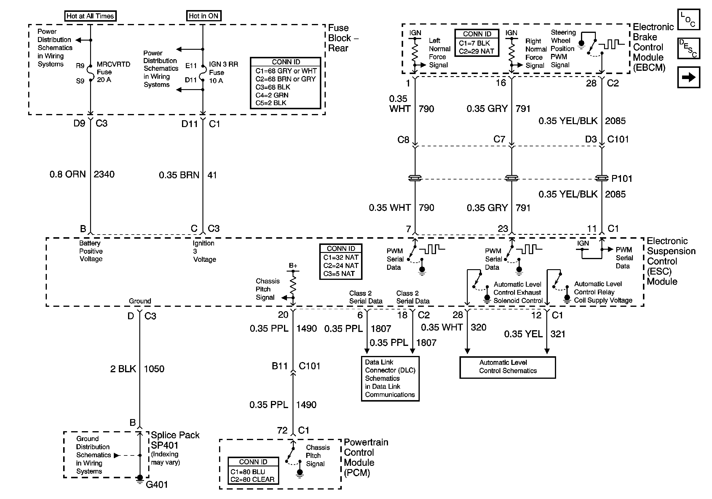
Suspension Controls Schematics w/F45

Figure 1:

Power and Ground


Object Number: 791982  Size: FS
Master Electrical Component List
Electronic Suspension Control Description and Operation
Sensors and Actuators
Automatic Level Control (w/ F45 or F55)
Class 2 Serial Data Line (LH Drive) (2 of 2)
G401 1 of 3
Battery Feed to Fuse Block - Rear
Battery Feed to Fuse Block - Rear
Figure 2:

Sensors and Actuators


Object Number: 788501  Size: FS
Master Electrical Component List
Electronic Suspension Control Description and Operation
Power and Ground

Suspension Controls Schematics w/F55

Figure 1:

Power and Ground


Object Number: 813566  Size: FS
Master Electrical Component List
Electronic Suspension Control Description and Operation
Figure 2:

Sensors and Actuators


Object Number: 813570  Size: FS
Master Electrical Component List
Electronic Suspension Control Description and Operation
Power and Ground
Suspension Controls Schematic Icons
Suspension Controls Schematic Icons