GM Service Manual Online
For 1990-2009 cars only
Makes
🢒
Cadillac
🢒
2002
🢒
Seville
🢒
Suspension
🢒
Tire Pressure Monitoring
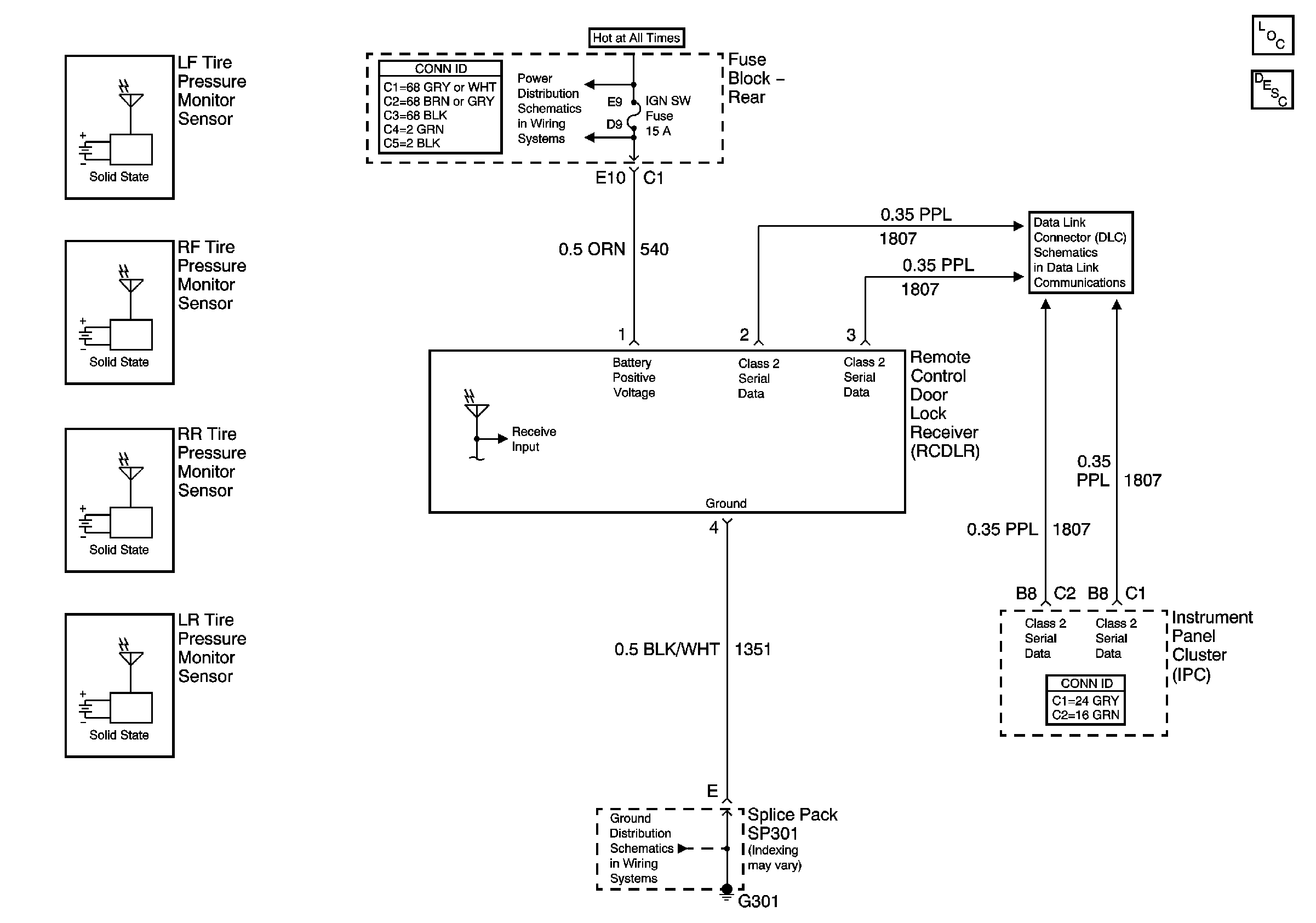
🢒 Tire Pressure Monitoring System Schematics
Master Electrical Component List
Tire Pressure Monitor Description and Operation
Class 2 Serial Data Line (LH Drive) (1 of 2)
G301
Battery Feed to Fuse Block - Rear