GM Service Manual Online
For 1990-2009 cars only
Makes
🢒
Cadillac
🢒
2002
🢒
Seville
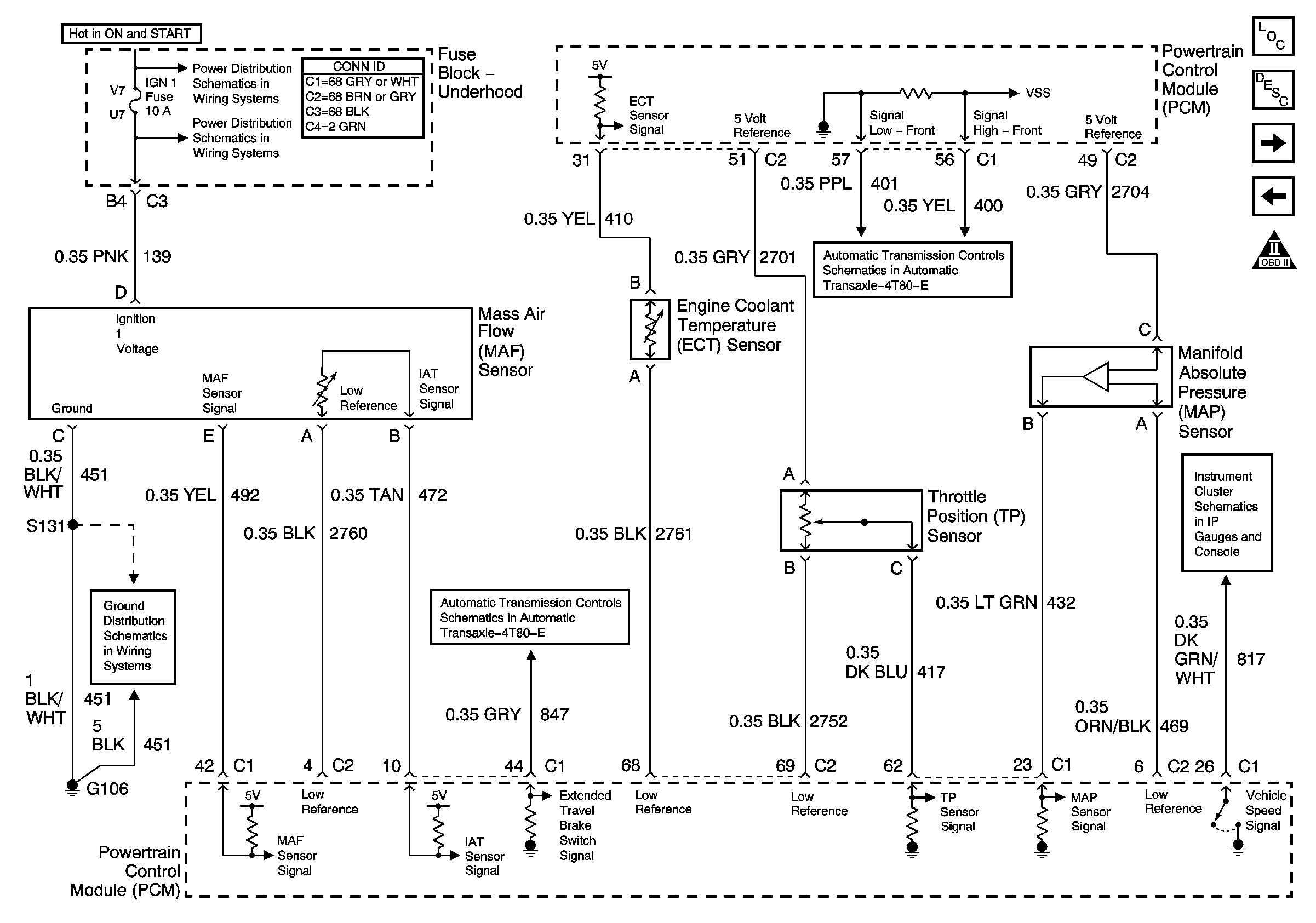
🢒 Engine Data Sensors-Pressure and Temperature
Engine Data Sensors-Pressure and Temperature
Engine Data Sensors-Pressure and Temperature
Master Electrical Component List
Engine Data Sensors-O2S and/or HO2S
Engine Data Sensors-5 Volt and Low Reference
Engine Controls Schematic Icons
Automatic Transaxle Fluid Pressure Manual Valve Position Switch and VSS
PCM Signals
TCC/Cruise Release Switch and Transaxle Solenoids
G106 and G108
Battery Feed to Fuse Block - Underhood